Poste exéprimental à partir des pièces d'un Atwater Kent type 20



Présentation - Schéma - Pièces récupérées




"
1. Présentation du projet "32PR"

J'ai déjà fait un poste expérimental à partir de pièces récupérées sur un récepteur. J'en ai d'ailleurs fait un KIT .
C'était un 2 lampes réflex et il utilisait déjà des composants d'un AK20

Ce que je me propose de faire une nouvelle fois, c'est, à partir d'un Atwater Kent modèle 20, assez facile à trouver, mais pas toujours complet ni dans un bon état, de construire un poste 3 lampes.
En revanche, par rapport au premier projet, je vais essayer de simplifier les adaptations, de façon à avoir le moins d'opérations à faire (à part le nettoyage et la vérification des composants récupérés)
D'autre part, ce nouveau poste sera à détection directe, donc sans étage amplificateur HF, mais à réaction. Il sera prévu pour recevoir les GO uniquement.
Comme le premier, les composants seront montés sur une planche, à la façon des premiers "breadboards" américains.



2. Schéma retenu

Voici le schéma de l'Atwater Kent modèle 20



Comme on peut le voir, 2 lampes participent à l'amplification HF, une à la détection(simple) et 2 autres à l'amplification BF.
Bien sûr, ce récepteur ne reçoit que la bande PO.

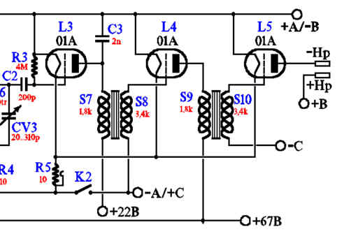
Voici maintenant le schéma que je me propose d'essayer :


On retrouve quasiment tout l'étage BF, à un détail près : il y a maintenant une bobine (mobile) qui permet par couplage avec la bobine d'accord, une réaction.
Toute la HF a disparu, il ne reste donc plus qu'un seul étage de syntonisation. Celui-ci est formé de 2 bobines en série, assemblées bout à bout, au milieu desquelles une bobine supplémentaire peut pivoter. Les bobines d'accord sont accordées par un CV d'origine.
Les chauffages sont toujours ajustables par 2 rhéostats, l'un agit sur le chauffage de la détectrice et l'autre sur le chauffage des 2 autres lampes.

Grosso modo, il s'agit donc de récupérer / adapter:
- 1 CV
- 2 bobines
- 1 module BF 3 lampes complet
- 1 module rhéostats complet,

et de :
- rebobiner les 2 bobines pour recevoir les GO
- construire une 3° bobine
- assembler les 3 bobines
- capoter le CV pour faire plus joli,

puis de tout câbler sur un socle en bois.
Simple, non ?



3. Pièces récupérées sur un AK20

Voici un Atwater Kent model 20, "dans son jus" :



(cliquez pour agrandir les photos)

Bien souvent, on en trouve à pas trop cher aux US (50-100$), qui ont été squattés par des souris. Ces gentilles petites bestioles ont fait leurs besoins un peu partout, en général, les lames des CV en alu n'ont pas apprécié.
C'est même au point qu'il est parfois difficile de récupérer 2 CV sur les 3 !
Voilà pourquoi ce nouveau poste n'en nécessite qu'un seul; ainsi, avec les restes des 3, j'espère pouvoir en faire quand même un ...

Pour le reste des composants, en général, pas de souci particulier. Les transfos BF sont souvent coupés, mais ça, j'ai l'habitude et il est facile de les refaire.
Si les lampes sont présentes tant mieux, sinon, les 01A sont assez faciles à trouver aussi.

Ces postes ont souvent subi des agressions mécaniques (déménagements, empilements, humidité, peinture ...) et les caisses ont souffert. D'où l'intérêt de ce genre de projet : la caisse sera laissée de côté !

Voici toutes les pièces constituant un AK20 :

(cliquez pour agrandir la photo)

Les composants qui nous intéressent portent les numéros :
#1, #2 : flasques avant et arrière des CV (1 seule paire suffit bien sûr)
#3 : boutons gradués des CV (1 seul à conserver)
#4 : lames et axes des CV (il faut en trouver en bon état pour refaire un CV complet)
#5, #6, #16 : socle, boutons et fils résistifs du module rhéostats/inter
#7, #10 : module BF 3 lampes et les 2 transfos BF
#13 : 2 bobines HF (les 2 mêmes)
#15 : visserie (il en restera beaucoup)

Une fois démontés, il faudra les vérifier et les nettoyer, bien sûr. Le reste des composants sera stocké pour servir de pièces de rechange.





A suivre : rénovation, adaptation et construction des composants du récepteur