Restauration d'un poste Monopole



Suite des essais : FI, boutons, bigrille



1. Ampli FI

Voilà, c'est décidé, je modifie les transfos FI...je veux en avoir le coeur net !
Auparavant, je mesure l'amplitude du signal sur le deuxième transfo FI:



En haut, sur son primaire (anode L3) et en bas sur le secondaire (juste avant R3/C3).
Comme on peut voir, l'amplitude n'est pas énorme (les gains sont à fond, et mon antenne est bonne)...
Difficile d'obtenir un bon niveau sonore avec 600 ou 700 mV crête avant détection !
D'ailleurs, voici le signal BF en sortie du transfo BF (sur la grille de L5 donc):



on a 3V crête, pas plus...

Donc, c'est reparti....j'ai réalisé 2 bobines identiques, de 3,8mH environ: il faut 360 tours. Puis j'en ai fixé une sur un socle en carton et j'ai fait des mesures selon l'éloignement de la deuxième.
Voici donc la méthode :
- éloigner les 2 bobines de plus de 50 mm et régler les ajustables pour résonner à 120 kHz.
- approcher les 2 bobines à une distance donnée et relever : la fréquence de coupure basse, la fréquence de coupure haute, le creux à mi-bande.
Car la réponse est alors de cette forme :



J'ai commencé avec les 2 bobines approchées de 16 mm (6 mm entre les faces en carton, mais les bobinages sont à 5 mm en retrait de ces faces):



Puis je les ai éloignées progressivement :





Les résultats sont les suivants :



Je décide alors de régler le couplage sur la dernière ligne, qui correspond à un creux faible et à une bande passante de 6 kHz environ; mais j'aurai pu prendre un autre réglage...
Je peux alors faire un gabarit définitif qui comporte 2 gorges, espacées de 30 mm :



petite erreur : il ne faut que 2 pièces "C"....
Il n'y a plus qu'à construire les 2 ensembles pour les 2 transfos FI; en voici un de fait :



Il faut ensuite déposer les 2 transfos, enlever les premiers ensembles que j'avais fabriqués et remettre les nouveaux....
ça se fait bien, les transfos étant vissés et les raccords soudés.

Et voici les résultats : et bien j'ai gagné un peu, je dis bien "un peu" de niveau, mais ce n'est vraiment pas terrible...
Ce qui veut dire que l'ampli FI n'est plus à mettre en cause. J'aurais pu modifier un peu le deuxième transfo FI car la détection charge pas mal le secondaire, mais je ne gagnerais pas beaucoup.
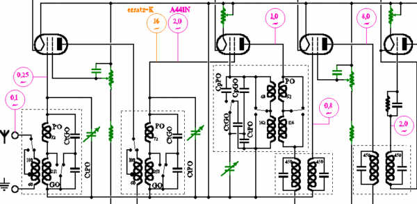
Par acquis de conscience, j'ai mesuré les niveaux du signal tout le long des étages, avec une vraie bigrille et avec un ersatz.
voici les points de mesure :



Voici comment j'ai procédé :
- injection sur la grille extérieure de la bigrille d'un signal de 120 kHz
- blocage de l'ol (court-circuit grille intérieure -4v)
- oscilloscope sur les points de mesure.
Qu'obtient-on ?
- Avec 1V en entrée d'étage FI, on a 2V sur la détection, ce qui fait un gain de 2...pas terrible...
- pour avoir 1V, il faut injecter 2V sur la grille de la bigrille, mais 16V sur la grille de l'ersatz !!!
Voilà donc un point important : sur l'ersatz, la commande n'a pas assez de gain.
- Pour obtenir 2V sur la grille extérieure de la bigrille, il faut injecter 0,1V sur l'antenne (en GO, sur RTL), ce qui donne un gain de 20 pour l'étage HF, ce qui est bien.
Conclusion : le problème est le changement de fréquence :
- une bigrille à un gain de 0,5 dans le meilleur des cas
- l'ersatz version -K demande une plus grande attaque. Je sais maintenant dans quelle direction chercher un meilleur ersatz : "booster" sa commande...
- je considère le poste techniquement correct (à part l'ersatz, bien sûr) et je peux passer à la suite : boutons, HP, caisse ....



2. Boutons

Depuis le temps que je fais des boutons en résine...ce n'est pas ça le plus gros problème !
Pour les CV, j'ai choisi le modèle BD6, un disque de 80 mm de diamètre, gradué de 0 à 100.
pour les commandes de gain, j'ai fait 4 boutons de modèle BGU6, de diamètre 40 mm, sur lequel je peux coller les graduations que je désire; ici, j'ai mis des graduations de 1 à 9.
Enfin, le bouton central de mise en marche et de choix de la gamme est un modèle BQ6, copie d'un bouton Philips (monté sur le 521A par exemple).
Voici quelques photos de ces boutons, installés sur la face avant :





Les vis que l'on voit seront cachées par la caisse, la face avant étant plus grande que sa découpe...



3. Nouvel ersatz de bigrille

Durant ces quelques jours, j'ai de nouveau planché sur un ersatz de bigrille....
le problème n'est pas simple : il faut, non seulement que l'ersatz oscille bien, mais qu'en plus, le gain de la voie incidente (celle qui reçoit le signal d'antenne) soit suffisant, sinon, on ne récupère qu'un signal faible en FI.
Alors, je suis revenu à un concept que j'avais déjà utilisé pour une version précédente : utiliser 2 lampes.
Bien sûr, cela implique que l'ersatz ne sera plus aussi joli, sauf si on peut le coiffer d'une fausse ampoule...de même, il faut utiliser des lampes subminiatures sous peine d'avoir un ensemble trop gros !
J'ai donc utilisé 2 tubes russes, des 1SH17b que j'ai montés sur un circuit imprimé qui a des dimensions réduites (que je pourrais encore diminuer..) de 75 sur 26 mm.
Cela veut dire qu'il peut entrer dans un culot de bigrille surmonté d'une fausse ampoule en résine (ou même dans un ballon récupéré d'une vraie lampe...)
Voici son schéma :



La self de choc est nécessaire pour transformer la tension d'anode, qui est affectée de l'oscillation locale, en une tension constante pour alimenter le 2° tube qui est donc un préampli.
Voici ce que ça donne, une fois monté :



et l'ersatz installé sur le poste :



Avec cet ersatz, la réception est nettement plus puissante : on obtient même un niveau supérieur à une vraie bigrille !
il fonctionne sur les 2 gammes (GO et PO) sans aucun problème. Sa consommation sur le 40V est identique à peu de chose près à celle d'une A441N d'origine (0,87 mA au lieu de 0,8mA).
A noter que le réglage de chauffage est vraiment fonctionnel : cet ersatz fonctionne encore avec seulement 1,8V de chauffage !

Bref, c'est l'ersatz de bigrille le meilleur que j'ai fait à ce jour.



A suivre....