Téléviseur PHILIPS type TF2197A



documentation





9. Schémas

Le schéma d'origine m'a été fourni par Nicolas, je me suis contenté de le remettre au propre; le voici, découpé en fonctions :


le rotacteur VHF





l'ampli FI image



l'ampli FI son et la détection



la détection et l'ampli vidéo - le tri des tops de synchro



le tri des tops de synchro - le contrôle automatique de sensibilité (CAS)



le comparateur de phase et la synchro lignes




la base de temps lignes




la base de temps trames




l'alimentation du tube image




l'amplificateur audio




l'alimentation générale


Voici maintenant les parties de schémas modifiées :



la base de temps 819/625 lignes et le relais de commande




les entrées moniteur et le remplacement de la PL83 par une EL183






le circuit de blanking supplémentaire


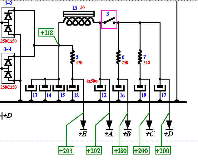
J'ai relevé les tensions à quelques endroits stratégiques du circuit, les voici :


l'alimentation générale



l'ampli son




les bases de temps



le blanking



le tube image



la vidéo, le tri et le CAS


Voici le schéma complet sur 5 pages en PDF, prêt à être imprimé en A4 :
PAGE #1
PAGE #2
PAGE #3
PAGE #4
PAGE #5


Pour finir, voici les oscillogrammes représentatifs de quelques signaux que j'ai repérés par des lettres sur les schémas :

signal A : vidéo inversée vers le tube image



signal B :tops de synchro triés




signaux C & D : tops de synchro inversés dans le comparateur de phase



signal E : attaque de la pentode lignes



signal F : synchro trames



signal G : charge du condo du blocking trames



signal H : dent de scie trames



signal J : impulsion d'effacement d'origine



signal K : dent de scie lignes vers le CAS



signal L : impulsion d'effacement augmentée



(cliquez sur l'image pour l'agrandir)




retour au menu