Deutscher KleinEmpfänger DKE38 - VALVO



Premiers essais





3. Essai

Vu que les résistances R18 sont HS, je ne peux essayer le poste qu'en 110-130V.
Il me faut donc un variac ou un auto-transfo.
Le HP étant intégré, je n'ai donc besoin que d'une antenne et une terre !

Résultat : le poste baragouine un peu, mais il y a des tas de mauvais contacts et des accrochages. Je dois donc remédier à tout ça, mais c'est bon signe !



4. Réparations


Lampe VCL11
Durant cet essai, rien que le fait d'approcher la main de la lampe faisait couiner le poste. Je dois donc refaire le contact de blindage. Voici comment faire simplement, sans trop dénaturer le look particulier de la lampe :

Le fil de cuivre au pied de l'ampoule est bien gratté pour le désoxyder, puis un fil multibrins dénudé est entouré sur un tour et bien serré par épissure



puis ce fil est coupé pour ne conserver que 20 mm environ que l'on met sur l'ampoule, puis on immobilise ampoule, fil et embase par un tour d'alu adhésif



puis on vérifie la continuité entre le silicopage et la broche de cathode : 5 ohm, c'est parfait !


quelques composants à changer
Il convient de mesurer et éventuellement changer, les composants :




Ce n'est pas forcément nécessaire, mais bon, vu le peu de composants, autant les changer !


CV d'accord : contact
J'ai remarqué que le corps du CV bougeait par rapport au châssis, il faut donc resserrer l'écrou.
Comme celui-ci est inaccessible, il faut enlever le gros bouton. Il faut bien repérer avant de le déposer, afin que l'indication de la graduation soit conforme :


On peut alors dévisser la vis de retenue du bouton que l'on remettra au même endroit :


On a accès alors à l'écrou. On peut même enlever le CV si on veut l'inspecter en détail :

Le châssis sans le CV d'accord

Ce CV comporte sous la came une piste en laiton que j'ai nettoyée avec un coup de bombe contact.


Inter M/A
Il a suffit que je le "bombe" d'aérosol contact pour que la partie mobile bouge de nouveau.
J'ai aussi bien nettoyé les contacts, le fonctionnement est maintenant correct.


Résistances R18
Il est plus pratique de faire fonctionner ce poste en 230V. Pour cela, il faut remplacer les 2 résistances R18. J'ai choisi de conserver le principe d'origine avec un fil "baladeur", afin de garder la possibilité d'alimenter le poste en 110V :

position 220V : le fil est tout en bas, connecté sur lui-même, les 2 résistances sont dans le circuit (total = 2200 ohm)



position 130V-150V : le fil est connecté au point intermédiaire, seule la résistance du haut est dans le circuit (600 ohm)



position 110V : le fil est tout en haut, aucune des résistances n'est en circuit

Haut-parleur
Le HP a un souci : il "talonne" même lorsque le niveau sonore est faible. Je vais essayer de le réparer. Si je n'y arrive pas, je le remplacerai.
Une fois déposé du boitier, je remarque que la membrane est partiellement décollée, parfait, je la décolle complètement :

avec un cutter, ça se fait bien

Et là, surprise, le cône s'en va carrément :

la soudure de la tige et de la rondelle centrale avait cassé !

J'ai enlevé alors la soudure de la rondelle centrale pour faire apparaitre le trou :


Puis j'ai bien gratté la tige du moteur :


J'ai emboité la tige dans le trou, elle ne dépasse presque pas, mais au moins c'est centré. J'ai recollé alors la membrane :


Puis en appuyant légèrement sur la mebrane afin que la tige sorte du trou de 1 mm environ, j'ai chauffé la soudure :


Vérifions si le poste fonctionne mieux ...



5. Nouvel essai

Le fonctionnement est bien meilleur : il n'y a plus d'effet de main, l'accrochage est commandable par le CV de réaction, ce qui est normal; malheureusement, le HP émet toujours des sons un peu étranges sur fort niveau sonore, mais après tout, ce n'est qu'un électromagnétique ..
J'ai donc décidé de le remplacer par un moderne muni d'un transfo d'adaptation :

J'ai même fait un ersatz de VCL11 (à droite) ...

La qualité sonore n'a plus rien à voir ! On se croirait écouter un poste supéhétrodyne des années 60(sans les chuintements !!)

Voilà cette réparation a été rapide ... quelques photos pour terminer :





J'ai mesuré les tensions en 127V et en 230V :

Tensions relevées lorsque le secteur est de 127V



Tensions relevées lorsque le secteur est de 230V

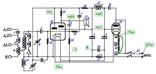
Et j'ai refait le schéma selon une présentation plus "moderne" :


Voici les stations que j'ai reçues :



6. Conclusion

Ce petit poste allemand est vraiment surprenant : simple mais efficace !
Le seul petit inconvénient est la série de lampe utilisées : en effet, la série "V" veut dire "courant de chauffage de 50 mA". Autant dire que ces lampes sont devenues rares ... et chères, donc. Et pas moyen de les remplacer facilement par d'autres puisque la série "U" (courant de 100 mA) est totalement incompatible.
On pourrait remplacer les 2 lampes par des "U" mais le poste consommerait 2 fois plus ... et il faudrait recalculer R18 (diviser sa valeur par 2) et elle dissiperait 2 fois plus.
A moins de faire un ersatz à semi-conducteurs ...



retour au menu des DKE38