Deutscher KleinEmpfänger DKE38 - BRAUN



Réparations et essais





3. Inspection plus poussée

Une inspection attentive du châssis m'a permis de voir quelques problèmes :

Le noyau de S19 est décollé, heureusement, les 2 pièces étaient dans la caisse : il y a un petit barreau de ferrite et une cale en bois de forme très spéciale



L'inter M/A est à réparer : un des pôles est court-circuité (en rose) et surtout, le ressort est cassé (en vert)



Le fil de S20 est en train de se débobiner !



Il y a une bonne couche de crasse sur le châssis ...



4. Réparations

Je passe la phase de démontage pour le nettoyage complet du châssis, j'ai fait comme pour le châssis SCHAUB : démontage et passage à grande eau, puis séchage.
Puis j'ai recollé le noyau de S19 :


Notez que la cale de bois affleure le tube mandrin et le noyau dépasse de quelques millimètres

et j'ai recollé les spires de S20 :

en rose, les points de colle, en vert, un cure-dent de blocage le temps que la colle prenne

J'ai refait un ressort tant bien que mal avec un bout de fil d'acier récupéré d'un ressort :

en haut le ressort d'origine cassé en deux, en bas le nouveau ressort. Notez les boucles encore ouvertes pour pouvoir l'installer sur l'inter

Après avoir bien nettoyé les contacts de l'inter et graisser les pivots, le ressort est remonté :

position "Arrêt"



position "Marche"

J'ai vérifié la continuité des deux contacts : parfait, cet interrupteur est sauvé !

Lors du démontage des éléments, j'ai cassé quelques pattes métalliques en les redressant (ces pattes étaient simplement tordues à la pince pour bloquer les pièces) :

Le collier de fixation du CV2 de réaction : les 2 pattes sont cassées !

Même chose pour celui de fixation de CV4 et de S19 ...j'ai du "ruser" pour remonter ces éléments :


Le nouveau collier de fixation du CV2 de réaction : un fil de laiton torsadé, c'est parfait



Pour fixer S19, le système précédent est impossible; j'ai donc soudé le reste des pattes à la contre-plaque

Au passage, ressoudage des 3 fils de S19 sur les prises d'antenne/terre :


Enfin, pour déposer S20 j'avais du casser le coin de bloquage; le voici réparé :

Le nouveau coin est en carton, taillé en biseau, enfoncé à force et collé

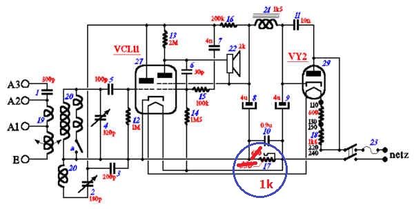
La mesure de R17 a donné une valeur essentiellement variable, ce qui est normal, sauf qu'elle variait sans toucher au curseur, de plus, la valeur était beaucoup trop grande (plusieurs kilohms) !
j'ai donc décidé de remplacer ce rhéostat. J'ai utilisé le même potard de 1k, mais sans résistance en parallèle, ce n'est pas critique en fait. Voici comment j'ai fait :

Démontage du rhéostat pour récupérer l'équerre-support




Perçage diamètre 6 et installation du potard



repose du potard sur le châssis

Puis j'ai vérifié les composants et changé ceux qui me paraissaient avoir varié. Voici quelques photos des condos d'origine que j'ai conservés (car mesurés bons) :




le condo de 0,9µF (C10)





le condo de 200pF (C3)




le condo de 300pF (C1)




le condo de 100pF (C5)



5. Essais et remontage

Une fois le câblage terminé sans encombre, le son est apparu au bout de 45 secondes, temps de chauffe des filaments, mais avec un son strident d'accrochage : il faut que je répare le blindage de la VCL 11 !


grattage du fil de contact d'origine pour le désoxyder



ajout d'un fil multibrins dénudé, bien serré autour du fil d'origine, avec une épissure de quelques mm



ponçage léger de la peinture en quelques endroits



collage d'une bande d'aluminium adhésif



vérification de la résistance entre la peinture et la broche de cathode

J'ai eu l'explication du petit bout de carton trouvé dans la caisse :

il s'agit du couvercle de la boite d'origine de la valve VY2 qui avait été remplacée

Maintenant que la VCL11 a son blindage, le second essai montre que l'accrochage a disparu !
J'ai fait l'essai avec un HP d'atelier, puis à l'aide de 2 fils, avec le HP interne pour le vérifier : ok.

Après un léger nettoyage de la caisse (la bakélite est rarement sale) sans déposer le HP car la toile est bien, je peux remonter le châssis :

Ressoudage des 2 fils du HP (ils avaient été inversés précédemment, je les ai remis aux bons endroits




Repose des cavaliers de retenue du châssis

Vue intérieure du poste :

Cliquez sur la photo pour l'agrandir

Je me suis aperçu, lors du remontage du carton arrière, que les vis n'étaient pas d'origine (mauvais pas) et il en manquait une. J'ai donc décidé d'en mettre des neuves, au pas métrique M4. En effet, les vis d'origine avaient un diamètre de 3,5, je peux donc retarauder à 4 :


Et maintenant, le carton tient avec 3 vis et 3 rondelles :



et voici le poste terminé :




Cliquez sur la photo pour l'agrandir



6. Conclusion

Pour finir, voici le schéma d'origine, avec juste la valeur de résistance du rhéostat R17 qui a changé :


et le plan du boitier dont j'ai relévé les cotes au cas où je voudrais en refaire un (on se demande bien pourquoi !):

Cliquez sur la photo télécharger le plan en PDF



retour au menu des DKE38