Récepteur DUCRETET type Radio-Valise



Moteur du HP - Schéma




2. Réparation du moteur du HP


Pour réparer ce moteur, je dois le démonter :


dépose du capot anti-poussière et du bouton de réglage



La pièce en Zamac est vraiment déformée, la tige de commande du cône aussi, d'ailleurs


La bobine. Je l'ai mesurée : 900 ohm, ouf, elle n'est pas coupée !


Le couvercle de fermeture ne tient plus du tout. Dessous on découvre la pièce élastique de réglage


Dépose de la vis de réglage après avoir enlevé la petite vis de butée

Impossible de dévisser les 2 vis supérieures, le Zamac en gonflant, produit des contraintes sous les têtes de vis telles qu'il est impossible de les tourner. La seule solution est de casser le Zamac, et ça, dans son état, c'est facile ! Voici les pièces :


Moteur martiellement démonté
On voit le ressort de contrainte du cavalier élastique de réglage, encore fixé sur une pièce polaire, le bâti en Zamac reconstitué pour la photo et la seule vis que j'ai réussi à retirer


Il reste encore une partie en Zamac sous le cavalier

Il faut faire tourner le cavalier car la vis ne vient pas. Donc il faut retirer la tige.


Tige qui est bien tordue ...

Elle est soudée sur l'étrier de la palette et sur le cavalier, à l'étain, donc ça devrait être facile


En effet : tige retirée !

Il n'y a plus qu'à dévisser l'ensemble cavalier-reste de Zamac : çà marche !


Voilà la pièce à refaire ...

Comme en 2015, je vais refaire une pièce pour un moteur de HP ! Voici le dessin :



J'ai simplifié la pièce. Par exemple, je n'ai pas fait les rainures d'encastrement du capot anti-poussière, ni les bossages taraudés pour sa fixation. De même, je n'ai pas respecté la forme de la pièce d'origine, je me suis contenté de respecter les cotes de fixation des pièces polaires et de l'ensemble sur le baffle.

Une heure et demie d'impression 3D, et voilà la nouvelle pièce :


Pas mal ...

Je peux passer au remontage. J'ai refait une tige car celle d'origine, trop tordue menaçait de casser lors du redressement. J'ai utilisé de la tige filetée M2. J'ai pratiqué une fente à un bout pour l'encastrer dans l'étrier :


Il faut souder la tige sur l'étrier de la palette
Et il faut qu'elle soit bien perpendiculaire dans les 2 plans !


Puis je refixe la nouvelle pièce par une vis sur une pièce polaire
Il ne faut pas serrer à fond, il faut que la pièce refaite ait du jeu car il va falloir faire prendre la vis de réglage. Le ressort est juste posé pour l'instant.


Le cavalier est enfilé autour de la tige et sa vis de maintien vissée sans serrage


La vis de réglage est vissée dans le cavalier.
Pour la faire prendre dans le taraudage du cavalier, il faut utiliser le jeu produit par le non serrage des vis afin que les pièces jouent entre elles.

Une fois que la vis est prise, je la serre de façon à brider un peu le ressort. Puis je serre fortement les 2 vis de maintien.


Je peux alors souder la vis sur l'étrier

Je peux déjà essayer le moteur ! Un bout de carton fixé grosso-modo sur la tige, le moteur posé sur une bobine de soudure, un générateur BF et voilà :


Vidéo : cliquez sur la photo
Evidemment, il faut régler l'entrefer pour qu'on entende quelque chose.


Une fois le réglage d'entrefer réalisé, je remets la vis de butée

Voilà, moteur réparé ! Il reste quelques finitions :



Fixation du capot anti-poussière par un fil inséré (à chaud) dans la pièce refaite
Cela suffira amplement, même si ça fait un peu "bricolo" ...



Collage de l'enjoliveur


Fixation provisoire des colonnettes de maintien sur le baffle



fixation sur le baffle
Une fois les colonnettes fixées sur le baffle, les vis maintenant le moteur sur celles-ci sont serrées définitivement.



Pose du cône : la tige est exactement dans l'axe car je n'ai pas eu de difficulté à l'insérer dans le trou du cône

Comme le tissu rouge du baffle est déchiré, je ne fixe pas le cône (ni l'écrou de la tige), car il faudra que je redémonte le moteur.
En attendant, je range précieusement tout ça ....



3. Schéma


90% du circuit est identique à celui du LD5, mais les 10% restants m'ont posé des difficultés. Cela tient au fait qu'il y a un fatras de fils qui vont à 3 composants :
- la clé à 3 positions
- deux jacks à coupure



La partie du câblage m'ayant un peu "fatigué" ....

D'autre part, j'avais aussi un doute du côté d'un des transfo BF, celui plus ou moins relié au jack PHONO.
Il y avait aussi un fil faisant partie des fils sortant du châssis qui était mal boulonné sur .... une équerre de ce transfo, l'écrou étant complètement desserré. Je ne comprenais pas trop l'intérêt de cette connexion. Quand je mesurais la résistance des bobines du transfo, je trouvais une borne isolée des 3 autres qui semblaient, elles, reliées ensemble ... Bref, j'ai voulu en avoir le coeur net. J'ai déposé le transfo avec dans l'idée de le réparer, pensant qu'il était coupé :


Pour accéder au transfo, il faut retirer la pièce en bois du bout du châssis




Les vis de fixation du transfo se trouvent SOUS le bloc de condos qu'il faut donc d'abord enlever (4 vis)
Deux pattes étaient soudées sur le corps du bloc condos et elles se sont décollées lorsque j'ai forcé un peu. Comme de toute façon, il y a des chances qu'il faille que je rénove ce composant, je ressouderai les pattes en même temps.




Le transfo BF déposé. Il ressemble à tous les transfos BF, avec ses 4 bornes de raccordement





Sauf qu'il y a une 5° connexion qui est raccordée à une des tiges filetées de montage des tôles et du bornier !
Voilà pourquoi il y avait ce fil plus ou moins boulonné sur une des équerres. Cela veut dire aussi qu'il y a 3 bornes pour le primaire ...
Bon, je n'ai plus qu'à remonter le transfo Je mesure donc les résistances des enroulements :


Sauf qu'il y a une 5° connexion qui est raccordée à une des tiges filetées de montage des tôles et du bornier !
Voilà pourquoi il y avait ce fil plus ou moins boulonné sur une des équerres. Cela veut dire aussi qu'il y a 3 bornes pour le primaire ...
Et qu'il y a bien continuité entre cette 5° cosse et la borne qui était reliée à la grille de la lampe : le secondaire n'est pas coupé, ouf !


Remontage du transfo sur le châssis. Avec cette 5° connexion à sa masse, cela veut dire qu'on doit le monter sur une partie isolante du circuit, ce qui est le cas



Le fil de connexion est installé avec la cosse du transfo (entouré en jaune)
Comme cela fait un peu d'épaisseur, j'ai mis 2 rondelles sous l'autre extrémité du bornier (en rouge)



Mesure de la résistance du secondaire avant recâblage : 2500 ohm environ



Mesure de la résistance du primaire total : 310 ohm




Mesure de la résistance d'une section du primaire : 120 ohm
Parfait, je peux recâbler tout ça ....



Entouré : le fil connecté au point froid du secondaire au niveau de la colonnette




Remontage de la planche de bois de fermeture


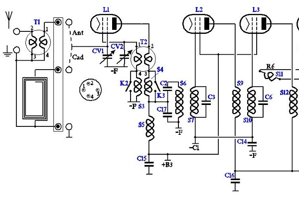
Voilà, plus rien du circuit ne m'est inconnu, je peux faire le schéma (provisoire) :


Changement de fréquence et étage fréquence intermédiaire (FI)
Cette partie est quasiment identique à celle du LD5, à part quelques détails (bobine de neutrodynage de la bigrille changeuse absente, transfo d'antenne déporté ...)


FI et détection
Là aussi, grosse ressemblance au LD5; seul le couple RC de détection est "à l'ancienne", c'est-à-dire en parallèle. Le retour du secondaire du transfo FI se fait donc au +face


Détection et ampli basse fréquence

Changement de fréquence et étage fréquence intermédiaire (FI)
C'est la partie la plus différente, surtout à cause des commutations faites par la clé et les jacks


Remarquez l'entrée phono : c'est un point qui m'a laissé perplexe un certain temps. On a l'impression que le phono va se prendre une tension continue produite par le +B2, puisque les 2 conducteurs vont sur une section du primaire du transfo BF T3. En fait, il n'y a pas de courant continu dans ce primaire car par la coupure du jack PHONO, la lampe L4 n'est plus chauffée, donc elle ne débite pas !
Le transfo T3 a donc une partie de son primaire relié à la source phono comme un transfo de micro par exemple. A ceci près que le +B2 est tout de même présent sur les 2 fils ...

On retrouve le même principe de polarisation des bigrilles rouges que sur le LD5 : potentiomètre en parallèle sur le chauffage avec une pile en série sur son curseur.

La clé à 3 positions fonctionne de la manière suivante :
- à gauche : arrêt. Les alimentations sont complètements déconnectées
- au milieu : fonctionnement sur 5 lampes
- à droite : fonctionnement sur 6 lampes
Pour ne pas compliquer le dessin du schéma, j'ai du faire figurer le circuit de chauffage à part.

Je complèterai ce schéma au fur et à mesure des vérifications du circuit.

Voici le repérage de tous les fils de liaison extérieure au châssis :


Repérage des fils. Cela sera utile pour les essais et la réalisation de l'alimentation autonome projetée ...

Et voici quelques photos de repérage des composants :








A suivre .....