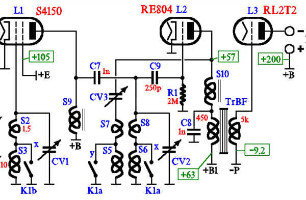
Poste LUMOPHON Gloria SW3



Etage BF de puissance - Valve





20. Essai avec l'ersatz d'origine

Il n'y a plus qu'à installer cet ersatz à sa place :


et à mettre en marche ...
Le son est tout à fait correct, le niveau est très puissant, au point où on est obligé de régler le couplage d'antenne au plus faible lorsqu'on pousse la réaction !
Voici d'ailleurs le relevé de la tension de grille et celle d'anode de L3 en fonctionnement :

On a un gain de l'étage de 7, ce qui est bien

J'ai relevé les tensions, toujours avec une alim de laboratoire :

La tension de polarisation de L3 s'établit à -9V, ce qui veut dire que le courant anodique de la lampe est de 15 mA (9V/600 ohm)



21. Essai avec la valve

Il est temps de passer "en autonome", en déconnectant l'alim de labo et en installant la valve :

La RGN 504 en place

Le fonctionnement est identique, bien sûr, les tensions changent un peu, je les ai notées sur le schéma :



Ce test valide donc la valve RGN504 qui est en excellent état (c'est assez rare de trouver une bonne valve pour en faire la remarque).



22. Petit problème

Je n'avais pas encore vérifié la résistance à point milieu R7. J'ai donc mesuré la tension entre chaque fil du circuit de chauffage et la masse :



Aïe, cela me semble déséquilibré, il doit y avoir une des parties de la résistance R7 qui est fatiguée !
J'ai donc dessoudé les fils sur R7 pour l'isoler afin de mesurer les 2 parties : 53 ohm chacune !!!
Que se passe-t-il ? D'où provient ce déséquilibre ?

En réfléchissant, j'ai trouvé : il vient de l'ersatz. Voici l'explication :
La lampe RL2T2 a un filament chauffé en 1,9V. Le concepteur de l'ersatz a fait comme je fais aussi parfois, il a simplement mis en série avec le filament une résistance en série :




cette résistance est le fil résistif qu'on voit sur ces photos. La résistance est de l'ordre de 6-7 ohm, ce qui est la valeur correcte car le courant nominal est de 285 mA.
Seulement le fait de mettre cette résistance uniquement que d'un côté du filament déséquilibre les courants, voici comment :


On est dans le cas de la figure du haut, j'ai représenté le fil résistif par 2 résistances de valeur r en série. On voit que le courant anodique (j'ai pris 20mA) ne passe que par le chemin le plus facile, c'est-à-dire celui qui n'offre pas de résistance.
Cela veut dire qu'il ne passe que par une seule des demi-sections de la résistance R7. Il se crée donc une chute de tension de l'ordre du volt, déséquilibrant la mesure de la tension entre les 2 fils de chauffage.
Même si ce déséquilibre est sans importance pour le fonctionnement, je préfère scinder la résistance de 6-7 ohm en deux parties égales, une sur chaque fil du filament comme sur la figure 2.
De cette manière, le courant de 20mA se partage en 2 courants égaux à 10mA et la chute de tension est la même sur les deux sections de R7.



23. Modification de l'ersatz d'origine

La modification consiste simplement à remplacer le fil résistif d'époque par 2 résistances de 3,6 ohm (en fait 4 de 1,8) :
A l'origine, le schéma était donc le suivant :


et voici le nouveau schéma :


et sa réalisation pratique :

Les 4 résistances de 1,8 ohm sont dans le culot

il n'y a qu'à souder les 4 connexions et à réinstaller l'ersatz sur le châssis :


Pour les personnes intéressées, voici la doc de la lampe RL2T2 de la Wehrmacht :

Son brochage ...



... et ses caractéristiques

Cette lampe est de fabrication militaire : solidité, fiabilité. L'ampoule est insérée dans un tube de protection en bakélite, les contacts sont latéraux, il fallait un support spécial. Pour retirer la lampe, elle est munie d'une poignée qui favorise la prise en main.
Si on regarde attentivement les courbes, on peut calculer la pente qui est de l'ordre de 2mA/V et sa résistance interne de l'ordre de 4kohm (ce qui est vraiment proche de la RE134).
Cependant, cette lampe a été étudiée pour être utilisée en ampli HF de puissance (PP classe B ou C) à courant de grille, on ne l'utilise pas dans cet ersatz "normalement", mais cela fonctionne tout de même !
Voici encore une preuve que dans le monde des ersatz, les idées reçues sur les lampes doivent être mises au placard et qu'il suffit d'oser !



à suivre : ébénisterie