Réparation d'un oscilloscope Metrix type 223B




Présentation : extérieur
Présentation : intérieur
Relevé du schéma : démontage préliminaire
Relevé du schéma : étage Y (vertical)
Relevé du schéma : alimentation générale
Relevé du schéma : alimentation du tube cathodique
Relevé du schéma : étage X (horizontal)
Essais : alimentations générales
Essais : vérification des circuits
Réparations


1. Présentation de l'oscilloscope

Et cet oscillo, n'est-il pas joli ?








Vues de différents angles de l'appareil



La plaque constructeur se trouve sur le côté droit, vers l'avant. Cet appareil porte le numéro 2095

Voyons maintenant l'intérieur :



Le capot tient par 2 grosses vis sur le dessus




Côté gauche. Le tube cathodique est incliné pour une meilleure vision, pas bête
Le circuit avec les 4 lampes, placé à côté du commutateur de sensibilité, doit être l'ampli vertical avec 4 lampes. Tout en haut, encore 4 lampes. A gauche, une plaquette qui doit être l'alim du tube cathodique. Le câble secteur a été réparé (et raccourci !), le chatterton noir doit cacher un horrible domino ....



Côté droit. Le transfo et un groupe de condos de filtrage
Par la découpe de la cloison, on voit le circuit de l'ampli vertical, côté pistes. En haut, sûrement le circuit "horizontal" (amplificateur, base de temps, synchro) avec les 4 lampes vues précédemment dont on ne voit que les supports.



Dessus. Les 4 lampes de l'étage horizontal




Intérieur de la face avant, côté gauche. Les 4 lampes de l'étage vertical




Intérieur de la face avant, côté droit. Arrivée secteur avec le répartiteur de tension et le câble très court ...




Intérieur de la face avant, côté commandes base de temps




Intérieur de la face arrière. Les condos de filtrage et le transfo

Tout est très propre, complet et de très belle fabrication (les fils sont frettés). A noter que les 8 lampes sont toutes les mêmes, des ECF80 !
Cela fait donc 8 triodes et 8 pentodes, il n'y a plus qu'à relever le schéma ....



2. Relevé du schéma


Démontage préliminaire


Pour faciliter le relevé, je vais devoir faire de la place, donc démonter quelques bricoles ... par exemple, le fond :


Une fois le fond retiré (8 vis dont 4 retenant les pieds), on voit mieux les accès au transfo par exemple

Je vais en profiter pour retirer le câble secteur qui ne me plait pas du tout :


Pas de pitié, je l'ai coupé !

Puis, je dépose le tube cathodique. Il est fixé au blindage en mu-métal, lui-même fixé au châssis par 2 colonnettes. Il suffit donc de dévisser les 2 vis et retirer l'ensemble "tube cathodique / blindage mu-métal" :


Flèche : une des deux vis de fixation à retirer. Entourés : connexion de masse à dessouder




En faisant levier, on enlève le connecteur de l'embase du tube




Puis on désengage le tube du support avant en le tirant vers l'arrière
Bien sûr, on fait ça tranquillement, sans brusquer et en évitant de taber le tube n'importe où ...



Il n'y a plus qu'à débrancher l'anode de post-accélération




Maintenant, il faut ranger le tube pour le protéger




L'embase est conséquente, c'est autre chose que le DG7/32 ...




9cm de diamètre utile (la référence est DH10-78, 10 comme 10 cm de diamètre extérieur de l'ampoule)




On y voit plus clair sans le tube cathodique ...


On a accès aux condos de filtrage
Comme il y a des chances pour qu'il y en ait au moins un à changer, la dépose du tube n'était pas inutile
Il n'est pas impossible que je sois obligé de déposer autre chose ...


Amplificateur vertical


Il est implanté sur circuit imprimé, où tous les composants sont repérés :


Il y a peu de fils qui aboutissent à ce circuit, donc je peux facilement le déposer pour relever son schéma
J'en profiterai aussi lorsque ces fils seront dessoudés pour vérifier les aboutissants.




Du côté pistes, il y a 2 fils à enlever
Ils vont au commutateur de synchro, donc ce sont très certainement les sorties complémentaires de l'ampli qui servent comme source de synchro interne.



Près du commutateur de sensibilité, il y a une tresse de masse (jaune) et un fil bleu (orange)
Le fil est sûrement l'entrée de l'ampli, puisqu'il est connecté sur le commutateur



Les fils à dessouder côté composants
Il y a les alims HT (repérées +2 et +4), la masse et 2 circuits 6,3V




Une fois les 4 vis de maintien au châssis enlevées, le circuit est libre

Pour relever le schéma, j'ai besoin seulement du brochage de la ECF80 (puisque les 4 lampes sont identiques):



La triode-pentode ECF80

Le relevé n'est pas compliqué, le circuit imprimé est simple face, forcément vu l'époque :


Amplificateur vertical (Y)

Quelques explications :
On a un ampli symétrique à liaisons continues,
Chaque branche est constituée de 2 étages. Chaque étage est constitué d'une lampe amplificatrice en tension (une pentode) suivie d'une lampe adaptatrice d'impédance cathodyne (une triode).
Le passage "signal dissymétrique >> différentiel" se fait par un étage à couplage cathodique, à résistance commune (R101). L'entrée se fait sur la grille de la première lampe, alors que la grille de la lampe symétrique est à la masse (R102).
Le cadrage vertical se fait par variation de la polarisation des grilles de 2 premières triodes, ce qui décale les polarisations du reste, donc des tensions sur les électrodes Y et Y' du CRT.
R115 sert à ajuster le gain de l'ampli. En effet, la commande de sensibilité est graduée (de 0.05 à 50V), donc cela veut dire que l'ampli Y doit être étalonné, d'où ce réglage (non accessible à l'utilisateur)
La charge cathodique des sorties est constituée des résistances R118,119,120,121 et 124 et on utilise la tension aux bornes de R124 pour alimenter le premier étage à pentodes (+U). Cette tension +U est également utilisée pour porter le filament des 2 lampes de sortie à une tension proche de la tension de leurs cathodes, pour éviter des problèmes d'isolement filament-cathode.
Je n'ai pas relevé dans le détail le commutateur de sensibilité qui a 10 positions, et donc une vingtaine de résistances et condensateurs, dont des ajustables pour régler la réponse en fréquence sur toutes les sensibilités, mais on comprend le principe ...
L'inter à l'entrée permet de supprimer la composante continue du signal à visualiser dans le cas de la mesure sur une anode de lampe par exemple. Il suffit pour cela d'insérer dans l'entrée le condo de 0,1µF.
Je complèterai ce schéma des tensions aux électrodes des lampes, lors des essais.

Je profite pour repérer les condos de filtrage d'alims, puisque cet ampli utilise deux HT, "+2" et "+4", amenées à l'aide de fils de couleurs différentes :


Repérage des condos et des alims +2 et +4
J'ai numéroté les 2 condos C02 (pour HT +2) et C04 (pour HT +4). La HT +2 utilise des fils jaunes , +4 utilise des fils bleus.
Tant qu'à faire, je vais relever le schéma de l'alimentation. Au sujet de la numérotation des composants, j'ai décidé la chose suivante :
- tous les composants montés sur le châssis seront numérotés 0xx
- les composants de l'étage Y sont déjà numérotés 1xx
- les composants de l'étage X, montés sur la grande plaquette de cosses seront numérotés 2xx
- les composants montés sur la petite plaquette et qui font partie de l'alimentation seront 3xx


Les composants qui font partie de l'amplificateur vertical et qui sont en-dehors de la plaque imprimée ont été numérotés :



Composants de l'ampli vertical montés sur le châssis


Alimentation générale

Les composants de l'alim sont répartis sur la petite plaquette :



il y en a quelques uns sur la grande plaquette :



mais aussi sur le châssis (condos de filtrage) :




Le relevé est néanmoins facile :


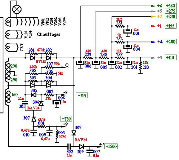
Alimentation générale

Quelques explications :
J'ai conservé le principe de numérotation des alimentations de la plaque de l'étage Y : +2 et +4, et numéroté les autres alimentations de la même manière :
Les hautes tensions anodiques des lampes sont créées par redressement double alternance à partir d'un enroulement à prise médiane.
Elles sont découplées par le groupe de condos installés sur le châssis. J'ai indiqué les couleurs de fils des alims sur le schéma (gris = blanc)
Dans tout l'appareil, les différentes alims gardent leur couleur de fil, ce qui est bien pratique pour s'y retrouver ...
La tension "+1" est la plus élevée, elle doit être de l'ordre de 400V, vu que les condos de filtrage "tiennent" 450V au moins.
Il y a une très haute tension, "+7" qui est créée par doublage de tension (D308/D309/C302 et C007) de la tension totale alternative aux bornes du demi-enroulement HT en série avec un enroulement supplémentaire. Si on suppose que cet enroulement supplémentaire fournit 150 à 200V, on doit friser les 1200V redressés .... Cette tension alimente l'anode de post-accélération du CRT.
De même, il y a un autre doubleur de tension (D306/D307/C301 et C010) , mais qui n'est que sur l'enroulement HT des anodes et qui génère une tension de l'ordre de -800V que j'ai appelée "-9". Cette tension alimente l'autre "bout" du CRT, sa cathode. Le CRT se retrouve donc avec pas loin de 2000V à ses électrodes extrêmes.
Une autre tension négative, "-8", est issue d'un simple redressement (D305/C008), et doit donc être de l'ordre de -400V.

Du côté des chauffages, il y a 3 circuits indépendants de 6,3V : le CRT, les 2 lampes de sortie de l'ampli vertical et toutes les autres lampes.


Alimentation du tube cathodique

Là aussi, le relevé est facile, vu le peu de composants :


Alimentation du tube cathodique

Rien d'autre que du classique : un pont potentiomètrique alimente les différents électrodes du canon. Seules les électrodes G5 et G6 méritent une explication :
G5 est une électrode annulaire qui sert de blindage entre les deux paires de plaques de déviation, ce qui évite que celles-ci interagissent.
G6 est l'anode de post-accélération, celle qui attire les électrons sortant des plaques. Dans le tube, G5 et G6 sont reliées par un dépot qui fait le tour du tube, donc en spirale et qui a une résistance très élevée( plusieurs dizaines de mégohms). Cette disposition permet d'accélérer les électrons progressivement.



Les composants de l'alim du CRT


Etage horizontal

Là, c'est nettement plus compliqué. L'étage horizontal comprend la base de temps, l'ampli final de déviation et la synchronisation.
Or, d'après la face avant, la synchronisation est assez élaborée puisqu'on peut choisir entre relaxé et déclenché, on peut régler le niveau De déclenchement, il y a 12 calibres de vitesse de balayage et un commutateur à 8 positions permet de choisir la source de synchro, passer en mode XY et commuter un signal de calibrage sur la douille qui sert normalement d'entrée X. Il n'y a qu'à voir déjà la plaque comportant 48 cosses-relais située près des 4 lampes pour avoir une idée :


La zone "étage horizontal"
Bien sûr, il faut enlever les composants situés complètement à droite qui font partie de l'alimentation générale qu'on a déjà vue, mais il en reste encore pas mal ...
Par exemple, les 2 commutateurs :


Commutateur "synchro" (005) et "vitesse de balayage" (006)

et aussi le potard de cadrage.

Pour ce qui est de la plaquette à côté des lampes, j'ai remarqué qu'il n'y avait aucun strap dessous : cela veut dire que je n'ai pas besoin de la déposer pour voir toutes les connexions, celles-ci sont toutes sur le dessus, donc visibles. Il n'y a donc qu'à suivre les fils et composants ....
Bien sûr cela nécessite d'avoir une petite idée préconçue sur le principe.
En revanche, certaines connexions vont nécessiter de déposer les 2 commutateurs pour être sûr du câblage. Et je vais commencer par le plus simple, K005 :
Au fur et à mesure du démontage, je vais repérer les fils à leurs deux extrémités : sur le commutateur d'abord (quelle cosse, quelle galette ?) et à l'autre bout (quel composant sur la plaquette ?)


Une fois le bouton, l'écrou + rondelles enlevés, le commutateur peut sortir de la face avant




Dessoudage des fils vert/marron et de la tresse de masse, et du fil vert sur la douille X




Repérage du coaxial (qui doit être l'entrée de l'ampli horizontal




Autres fils à dessouder





Le dernier fil (rouge)




Voilà : K005 est retiré

K005 comporte 3 galettes, 2 sont à contact simple, la 3° comporte 2 contacts. Il y a 8 positions, et 3 composants sont soudés sur ce commutateur :


Schéma des commutations de K005

Les 2 galettes à simple contact sont 005a et 005b. La 3° galette comporte les contacts 005c et 005d.
Le fil bleu va sûrement à l'étage d'entrée de la synchro. Le fil vert vient de la douille d'entrée X, le coaxial va à l'entrée de l'amplificateur.
Le contact 005a gère la fonction de la douille X : mise à la masse, donc inutile pour les positions 1 à 5. Pos 6 : reliée à l'entrée synchro. Position 7 : reliée à l'entrée de l'ampli. Position 8 : utilisée en sortie comme signal de calibration (1Vcc normalement)
Le contact 005b gère l'entrée synchro : secteur sur la position 1, TV sur les positions 2 et 3 (signal intégré par R020 et C015 issu du contact 005c), interne sur les positions 4, 5 et 8. Position 6 : entrée X. Pas de synchro pour la position 7, puisqu'on est en mode XY, elle est inutile puisque la base de temps doit être arrêtée.
Le contact 005c ne sert qu'à choisir le sens de la synchro TV, qui va être envoyée au circuit intégrateur R020/C015. On aurait pu simplifier en utilisant 2 résistances et 2 condos, un couple par fil de synchro
Enfin, le contact 005d ne relie les 2 fils vert et marron ensemble que sur la position 7, c'est-à-dire en mode XY, lorsqu'il faut stopper la base de temps.

Bien, il n'y a plus qu'à remettre K005 en place et à faire pareil avec K006 :





Repérage des connexions arrivant sur K006, avant de les dessouder

Démontage des 2 boutons : le petit bouton rouge commande le potard "vernier vitesse"; j'ai déjà eu du mal à dévisser sa vis pointeau ... Mais alors pas moyen de dévisser les 2 vis du bouton noir : leur fente est trop étroite, j'ai aucun tournevis adéquat ! J'ai essayé de forcer avec un tournevis, je n'ai réussi qu'à casser la tête des vis en deux, grrrr. Bien, il n'y a plus qu'à remettre K005 en place et à faire pareil avec K006 :



Seule solution : casser le bouton. Je commence par meuler une fente dans la bakélite



Puis à l'aide d'un tournevis, j'écarte la fente pour casser "gentiment" la bakélite




A l'aide d'une pince, j'ai réussi à enlever les vis ... et le moyeu est dégagé



Il n'y aura plus qu'à recoller tout ça et à obturer la fente ....

Je continue la dépose de K006, en dévissant l'écrou de son axe, il peut sortir de la face avant :


Il reste deux fils à enlever

Et K006 n'est plus attaché au circuit :


La place libérée de K006

Avant de relever le schéma de K006, j'ai fait 4 photos en le faisant tourner sur son axe, afin de bien repérer les cosses sur lesquelles étaient soudées les connexions :





Repérage des connexions retirées

Le commutateur K006 comporte 3 galettes :


Schéma des commutations de K006

La galette K006a permet de choisir une résistance parmi 3 valeurs : 1M, 2M ou 4M
La galette K006b permet de choisir un condo parmi 4 valeurs
Enfin, la galette K006c permet le choix d'un condo parmi 3 valeurs.
P018 et R031 font partie d'un pont diviseur de tension qui alimente la résistance choisie.
Je n'ai pas fait figurer P017 car il est installé sur 2 cosses "folles" qui ne servent que de relais et ne fait pas vraiment partie du commutateur. D'ailleurs, il est cassé : son curseur a disparu, il faudra que je le change avant de remonter K006.


Je peux maintenant dresser le schéma complet de l'étage X. Vu qu'il est assez grand, je vais le découper en plusieurs fonctions bien distinctes /


Schéma de l'intégrateur
C'est la fonction qui produit une rampe de tension qui sera envoyée à l'amplificateur final.



Schéma du circuit de charge
Circuit monostable qui déclenche la rampe de tension de manière cyclique afin de produire au final une dent de scie périodique.
Ces deux circuits forment le générateur de dent de scie :



Schéma du générateur de dent de scie (charge + integrateur)





Schéma du circuit trigger

Circuit trigger qui va moduler le circuit de déclenchement de la dent de scie en fonction de la source de synchronisation.



Schéma de l'amplificateur final

Circuit symétrique à un seul étage qui attaque les plaques de déviation horizontale à partir de la dent de scie ou de l'entrée X.


Voici les schémas en PDF :
- alimentation
- voie X
- voie Y



3. Essais : vérification des alimentations

Sur un condensateur, j'ai trouvé une date-code : 3/69. Cet appareil a donc été fabriqué en 1969. Comme il est d'excellente facture, j'ai décidé de ne pas systématiquement changer les composants critiques, ce sera plus pédagogique de découvrir les pannes au fur et à mesure et de changer les composants au coup par coup ... attention les dégâts !

Déjà, j'ai changé l'ajustable P017 qui était cassé :


P017 : l'ancien cassé, le neuf installé à sa place

Il faut également remettre un câble secteur (provisoire) :


Câble secteur pour les essais

Puis j'ai remis le tube cathodique, mais de façon à pouvoir mesurer les tensions sur les condos :



Fixation du tube sur la barre entretoise à l'aide de ty-rap
Le fil jaune est la liaison de masse (la tresse est trop courte pour être ressoudée sur le blindage du tube)

Voilà, prêt à mettre sous tension ...
A la mise en route, les filaments des lampes s'allument, un voltmètre sur une des tensions indique bien une valeur. J'ai entendu 3 ou 4 fois un "clac" ressemblant au bruit d'un arc électrique, possible qu'il y ait un défaut d'isolement au niveau de l'anode du tube; j'ai donc mesuré les tensions :


Tensions mesurées à la première mise sous tension

Plusieurs remarques :
- il n'y a pas de coupure franche car toutes les tensions sont présentes
- toutes les tensions semblent tout de même basses
- les résistances R229 et R230 chauffent pas mal, d'ailleurs une bonne odeur de chaud se dégage assez vite.

Je n'insiste pas, j'ai laissé sous tension juste le temps de relever toutes ces tensions (3 minutes au maximum)
A noter qu'en touchant aux réglages du spot (lumière, focus, astigmatisme et cadrages), j'ai pu obtenir un point sur l'écran : bien centré, bien fin. Mais aucun balayage. Néanmoins, en poussant le gain vertical et horizontal, et en touchant avec le doigt l'entrée Y et l'entrée X, j'ai obtenu une ligne à chaque fois:


Au repos, le spot peut être centré grâce aux commandes de cadrage




En touchant l'entrée Y, on obtient bien une ligne verticale




En touchant l'entrée X, on obtient bien une ligne horizontale


Donc : l'ampli Y est OK, le balayage X ne fonctionne pas, mais l'ampli X est OK.

Quelques petits calculs :

- tension redressée : 290 Veff sur le transfo devraient donner une tension redressée de l'ordre de 410V (à vide). Les 360V dénotent donc une intensité sûrement un peu forte.
- intensité dans R229 : (360-275V) dans 470 ohm donnent ... 180mA ! C'est vraiment beaucoup.
- intensité dans R230 : (275-230) dans 470 ohm donnent ... 96 mA. C'est aussi beaucoup. Cela veut dire que la différence (180-96 = 84 mA) va dans les circuits alimentés par la tension +5 et/ou dans le condo C005. Or, le seul circuit alimenté par +5 est l'ampli horizontal. Vu qu'il n'y a pas du tout de balayage, il est possible que le problème se situe dans cet étage.
- Pour en être sûr, il suffit de mesurer les tensions sur les plaque X et X'. Mais supposons que les pentodes V203 et V204 soient saturées. les tensions sur les plaques seront alors très faibles, égales à une tension théorique calculable : V203 a 24k dans son anode et 11k dans sa cathode (1,5k + 4,7k*2), donc cette tension serait de l'ordre de +5*11/(11+24) soit : 85V environ. Le courant anodique serait de (275-85)/24 = 8mA. On peut imaginer que V204 consommerait à peu près autant (un peu moins vu qu'il y a 30k dans son anode. Mettons 16 mA en tout. On est loin des 84 mA.


Conclusion : problème de condensateur de filtrage. Et j'aurais pu faire comme d'habitude, les changer d'abord ....

Remplacement des condos de filtrage

Je vais procéder comme pour les condos de l'oscilloscope Radio-Contrôle type 127.
A ceci près qu'il n'y a pas de rondelles-cosses sous les condos et donc il faut que je réalise un contact de masse :


Avant la dépose des condos, je les marque afin de les différencier lors des mesures





Les condos ont quitté leur place




Les 7 condos à refaire

Je vais les mesurer pour voir si j'ai eu raison de les déposer :


Résultats des mesures de capacité et de fuite (sous 400V)

Comme on peut le voir, il n'y en a vraiment que 4 qui sont fuyards. Voilà l'explication des tensions relevées. Les 3 autres auraient pu être conservés, mais je vais les changer quand même. Notez que la mesure des capacités n'est pas suffisante pour vérifier un condo chimique !


Je récupère l'embase en plastique, l'écrou et la cosse
Je perce l'embase de 4 petits trous positionnés tous les 90°



Je passe un fil multibrins dénudé dans les 4 trous
Cela forme 2 contacts sous l'embase qui seront serrés contre le châssis pour faire la prise de masse
Pour rénover ces condos, il faut respecter à peu près la capacité (elle n'est jamais critique dans le cas de condos de filtrage), mais la tension de service, elle, doit être respectée scrupuleusement. 4 condos doivent être isolés à 450V, 3 autres à 500V.
J'ai des condos 450V, mais pas des 500V : je dois faire des associations série de 2 condos (avec résistances d'équilibrage) :


Condos de remplacement avec leur capacité théorique

Voilà, yapuka :


La connexion "-" du condo est soudée sur le fil de contact, la connexion "+" passe par le trou de l'embase et est soudé sur la cosse





Certains condos nécessitent une association série, avec 2 résistances d'équilibrage
La colle est nécessaire pour rigidifier les composants et les connexions les uns des autres afin d'éviter des court-circuits



Les 7 condos rénovés; je pourrais finir par un manchon en gaine thermo ....

Je n'ai plus qu'à les réinstaller sur le châssis, après avoir passé la zone de contact du châssis au papier de verre :



Condos reposés et recâblés

Vérifions les tensions après rénovation des condos :


Tensions mesurées après remplacement des condos de filtrage

On n'a rien gagné sur la tension négative -8 puisque C008 semblait bon à la mesure, ni sur +7 (40V pour 1500V sont dans l'incertitude de mesure)
Mais on a gagné surtout sur les tensions d'alimentation anodique : pas franchement sur +6 puisque C006 n'était pas vraiment fuyard, mais sur toutes les autres : en particulier, on a gagné 90V sur +1 et 50 à 60V sur toutes les autres.
D'autre part, les résistances qui chauffaient beaucoup doivent moins chauffer car l'odeur a disparu !



4. Essais : vérification des circuits

Tube cathodique

Le spot est bien visible, les commandes fonctionnent bien, mais je mesure les tensions sur le pont de résistances d'alimentation du tube :


Tensions mesurées sur le tube
Tout a l'air normal.

Pendant les mesures, en bougeant l'appareil, j'ai provoqué le bruit d'arc que j'avais déjà entendu. Et j'ai vu des étincelles dans .... K005 !
En le tournant, j'ai pu provoquer les étincelles. Et j'ai trouvé : c'est le curseur de P017, cassé, qui est tombé de K006 dans K005 et qui faisait un court-circuit. Ce qui est étonnant, c'est que je ne l'ai pas vu pendant le relevé des schémas des 2 commutateurs....


Le curseur de P017

A croire qu'il devait être encore accroché au potard et qu'il est tombé après avoir remonté les 2 commutateurs, lors des mouvements de l'appareil pour changer les condos ...

Et par la même occasion, je me suis aperçu que j'avais fait une erreur de connexion sur K006 : je n'ai pas mis le fil blanc au bon endroit : il devait être connecté à P017 justement, et je l'avais ressoudé avec l'autre fil blanc, grrrr ....

Une fois le fil blanc remis en place, surprise : le balayage fonctionne ! Je vais donc pouvoir commencer la vérification des différents circuits.


Amplificateur vertical

J'ai mesuré les tensions sur quelques points :


Tensions mesurées dans l'amplificateur vertical
Là aussi, tout a l'air normal.

Je peux donc relever les oscillogrammes en divers points, lorsqu'on injecte un signal en entrée (eY)
Pour avoir une trace suffisament grande sur l'écran, le signal d'entrée, sinusoïdal, a une amplitude de 1Vcc, fréquence de 1kHz. Le calibre choisi est 0,2V/cm. On devrait donc avoir 5 carreaux d'amplitude sur l'écran.



Signal sur les anodes des pentodes du premier étage
On a un gain de 2 sur une voie et 1 sur l'autre (y compris l'atténuation du commutateur de sensibilité !) Cela veut dire qu'il est possible qu'une des pentodes soit fatiguée ...
Il n'est pas utile de relever les signaux sur les cathodes des triodes suivantes, on trouvera la même chose puisqu'elles sont câblées en cathodynes.



Signal sur les anodes des pentodes du troisième étage
Les signaux sont maintenant équilibrés, les signaux en opposition ayant même amplitude. Le gain de cet étage est de l'ordre de 20.

Pour finir, même si le dernier étage est aussi formé de triodes cathodynes donc a un gain de 1, j'ai mesuré les signaux en sorties Y et Y' car ce sont les tensions présentes sur les plaques de déviation :



Signal sur les plaques de déviation Y et Y'
Et voici l'écran de l'oscillo après avoir retouché (très légèrement) le gain par P115 afin d'obtenir les 5 carreaux correspondants à 1V crête à crête :


Affichage du signal de 1Vcc sur le calibre 0,2V/cm : OK

Avec ce genre de montage symétrique à plusieurs étages comportant des lampes couplées par les cathodes, c'est que même si des lampes sont différemment usées, à la fin de la chaine, les signaux seront de même amplitude (ou presque), et il suffira d'avoir un réglage pour retoucher le gain afin de compenser l'usure.

J'ai également mesuré la bande passante de l'ampli. Pour ce faire, on se met en milieu de bande, par exemple à 5kHz :


Entrée et sorties de l'ampli Y à 5 kHz
1 : entrée 5kHz, 1Vcc, sinus
2 : sortie Y : 20Vcc
3 : sortie Y' : 20Vcc
Ce sera la référence d'amplitude.
L'écran de l'oscillo est alors le suivant :


On a 5 carreaux d'amplitude et 8 périodes (la vitesse est réglée sur 200µs/cm

Puis on augmente la fréquence du signal d'enrée jusqu'à obtenir 3,5 carreaux d'amplitude sur l'écran :

Amplitude réduite à 70% de sa valeur référence, fréquence = 5,9MHz

L'oscillogramme des tensions donne :


On remarque que la voie Y' est plus réduite que la voie Y
D'ailleurs, cela se voyait sur la photo précédente : le tracé n'est plus centré dans le sens vertical.

Bon, on a une fréquence de coupure haute de l'ordre de 5MHz, ce n'est pas si mal ....

Qu'en est-il en basse fréquence ? Tout d'abord, sur la position = de K002, par définition, l'ampli passe le continu, donc fréquence basse = 0.
Mais sur la position alternatif de K002, on insère le condo C014, donc il limite forcément la bande passante en basse fréquence.

Pour faire la mesure, qui sera approximative, on ne peut que procéder en enregistrant les tracés, soit en faisant une vidéo, soit en faisant une photo en pause :


Vidéo : fréquence = 1Hz, l'amplitude semble être de 3,5 carreaux


Photo en pause : l'apn a superposé tous les tracés dans une bande de 1,4 carreau de hauteur, cela fait bien 70%

La fréquence de coupure basse sur position alternatif est donc de 1Hz environ



Trigger

Pour relever les oscillogrammes dans l'étage trigger, j'ai conservé en entrée Y la tension précédente et la même sensibilité de l'ampli Y afin d'avoir la même amplitude de 5 carreaux à l'écran. J'ai commuté K005 sur "int+", j'ai fermé K004 pour être en déclenché et j'ai réglé le seuil pour que la trace soit stable, avec déclenchement au passage par 0V, pente positive donc :


Signal sur la grille de la pentode d'entrée, centré sur +75V environ
si on touche au seuil, P016, on voit le signal se décaler dans le sens vertical : on agit donc sur sa valeur moyenne.



Anode de la pentode : signal rectangulaire compris entre 170 et 185V environ



Signal sur les cathodes communes des deux lampes



Anode de la triode : en opposition avec la tension d'anode de la pentode, comprise entre 125 et 140V environ




Impulsion sur le point commun des deux diodes



Vidéo : tension d'anode de la triode en faisant varier le seuil


Quelques explications :

Ce circuit est un trigger de Schmitt à seuil réglable. C'est un circuit à deux états, les lampes étant saturées ou bloquées tour à tour.
Si la tension de grille de la pentode est faible, la pentode est bloquée, la tension de son anode proche de +3, la triode saturée grâce au pont diviseur R203/R237-P202. La tension de cathode s'établit aux environs de +80V par le courant traversant la triode. La tension de son anode est la plus faible, de l'ordre de 125V.
Lorsque la tension de grille de la pentode augmente, il arrive le moment où elle est proche de la tension de cathode, la pentode commence à conduire. Ce faisant, sa tension d'anode diminue, bloquant assez vite la triode. Le courant de cathode dimminue donc un peu, renforçant la conduction de la pentode. L'effet est cumulatif et très rapide : la pentode se sature rapidement, la triode se bloque rapidement, d'où les signaux rectangulaires.
Tant que la pentode est conductrice, la cathode suit la tension de grille, d'où la forme de signal sur la cathode.
Si maintenant on baisse la tension de grille de la pentode, il va falloir qu'elle passe en-dessous d'une tension plus faible que la cathode pour bloquer la pentode. Cette valeur est d'ailleurs plus faible que la tension de déclenchement montant parce qu'on s'est arrangé pour que le courant dans la triode saturée soit légèrement supérieur au courant dans la pentode saturée. On a un effet d'hystérésis et c'est P202, en réglant la tension de grille de la triode saturée qui ajuste cet hystérésis.
Le condo C212 transforme le signal rectangulaire d'anode de la triode en impulsions, et la diode D201 élimine celles qui ont une lancée positive, ne conservant que celles à lancée négative. Ces impulsions servent à synchroniser le générateur de dent de scie.
Sur la vidéo, si on s'occupe des fronts descendants de la tension d'anode de la triode, on voit que lorsqu'on règle le seuil, on décale ses fronts descendants par rapport au signal d'entrée Y. La conséquence sur l'écran de l'oscillo sera que la trace pourra être décalée dans le sens horizontal : on pourra choisir l'instant du signal qui démarrera la dent de scie.
A noter que comme le trigger produit une impulsion négative lorsque la triode se sature c'est-à-dire lorsque la tension de grille de la pentode descend sous un seuil, pour que l'impulsion correspondent à une montée du signal d'entrée Y, il a fallu utiliser la sortie Syn- pour obtenir une synchro sur front montant de l'entrée Y.

Quel est le rôle de P202 ? Pour le savoir, je passe en AUTO et j'agis sur le réglage en regardant l'écran :


Vidéo : mode AUTO, réglage de P202
En fait, il faut régler P202 de façon à ce que le balayage démarre exactement lorsque le signal d'entrée Y passe par 0

Voilà, il ne me reste plus qu'à relever les tensions dans cet étage. Pas de signal en entrée (synchro sur EXT par exemple), pour trois cas :
- en AUTO
- en DECL, bouton SEUIL en butée à gauche (seuil mini)
- en DECL, bouton SEUIL en butée à droite (seuil maxi)




Tensions sans signal dans l'étage Trigger



Base de temps

La base de temps comprend le générateur de rampe et le circuit de charge :



Pour relever les oscillogrammes, le mieux est d'avoir un oscillo à plus de 2 voies comme le Tektronix 5440 :


Signaux relevés dans le générateur
1 : grille 1 pentode V203 (entrée de l'ampli X, après la résistance R204) : min=52V, max=66V
2 : anode triode V202 : min=20V, max=125V
3 : grille 2 pentode V202 : min=60V, max=85V
4 : anode triode V203 : min=230V, max=260V



Générateur + Trigger

Voici quelques oscillogrammes relevés sur la base de temps et le trigger :


1 : Syn- (avant C212), 20Vcc
2 : impulsion de synchro (entre D201 et D202), pointe à -20V au moins
3 : anode triode V202 : 50V d'amplitude
4 : cathode triode V203 (rampe)

Que deviennent ces signaux lorsqu'on fait varier le seuil de déclenchement ou que l'on passe en AUTO ?


Vidéo : mode DECL (déclenché), variation du seuil




Vidéo : commutation DECL/AUTO




Amplificateur horizontal

Relevés des tensions continues, entrée X à 0, position XY (donc pas de dent de scie) :



Relevés des oscillogrammes, balayage en marche, trace centrée sur l'écran dans le sens horizontal :


1 : grille 1 pentode V203
2 : sortie X' : min=150V, max=250V
3 : sortie X : min=150V, max=250V


Vidéo : action de la commande de cadrage horizontal


1 : dent de scie sur anode pentode V202 : min=140V, max=240V
2 : grille 1 pentode V203 : min=56V, max=68V
3 : sortie X : min=150V, max=250V

Globalement, l'ampli X a un gain de 1 entre l'anode de la pentode de l'intégrateur et chaque plaque de déviation.
Le gain au niveau de l'entrée X est de l'ordre de 8 par plaque, donc 16 au niveau de la déviation sur le tube.

Vérifions la réponse fréquentielle de l'ampli horizontal; tout d'abord, attaque directe sur X en carré, 10Vcc, 10kHz :


Réponse à 10kHz
1: entrée X, 10Vcc, 10kHz
2 : sortie X' : de l'ordre de 70Vcc
3 : sortie X

Le temps de transition est de l'ordre de 1 à 3 µs on dirait ...
Le mieux est de revenir en sinus et de chercher la fréquence de coupure à -3dB (70% d'amplitude) :


1,2,3 : idem relevé précédent.
Mesure amplitude sur X' = 70Vcc

Je vais augmenter la fréquence jusqu'à ce que cette amplitude baisse de 30%, c'est-à-dire 50Vcc environ :


F=260kHz : l'amplitude de X' a diminué jusqu'à la valeur de 50Vcc

On peut aussi rechercher la fréquence de coupure basse, puisque l'ampli ne passe pas le continu de l'entrée externe X (à cause de la présence du condo C205)

Le principe est simple : on règle l'amplitude du signal d'entrée et/ou le gain X, de façon à obtenir 6 carreaux (par exemple) :


Entrée X = sinus, 1kHz, amplitude réglée à 10Vcc, gain X réglé pour avoir les 6 carreaux

Puis on diminue la fréquence pour obtenir une déviation de 6*0.7 = 4,2 carreaux. En pratique, on cherche 4 carreaux :


Vidéo : à 5 Hz, le spot balaie les 4 carreaux

Conclusion : l'ampli X a une bande passante de 5Hz à 250kHz



5. Réparations

Pour l'instant, j'ai changé les condos de filtrage et P017, mais il reste quelques "bricoles" à changer :

Commutateur K003 : gain X

Il est bloqué en position "VAR", pas moyen de le basculer en position "x5" (loupe). Il faut donc que je le répare ou que je le change.


L'inter K003 est un 2RT




Pour le déposer, il faut déjà dessouder l'ajustable P015

Il suffit alors d'enlever l'écrou de fixation et l'inter vient :


L'inter déposé, encore relié au circuit




Malheureusement, irréparable car le sertissage se casse lorsque j'essaie de le déplier

J'en ai trouvé un, mais à connexions inversées, peu importe, il suffit de rallonger la connexion de P015 et de déplacer 2 fils
Voyons ce que ça donne :


Vidéo : commande de la loupe (x5 en horizontal)
Parfait !


Déformation de la plaque arrière

On dirait bien que l'oscillo a été posé un peu brutalement :



Pas difficile de redresser cet alliage d'aluminium. Cela se fait à la pince, tout bêtement.


Câble secteur

Maintenant que tout fonctionne, j'ai changé le câble. J'en ai mis un avec conducteur de terre et je l'ai arrêté à l'aide d'un cavalier boulonné :


Le cavalier retient le nouveau câble secteur, c'est mieux ainsi



Bouton de commande de la vitesse

J'avais du le casser pour pouvoir le démonter afin de déposer le commutateur K006. Le temps est venu de le réparer !
Je vais donc le recoller et combler le trait de scie que j'avais fait, en m'aidant d'un moule que je vais faire à partir d'un bouton identique :


Bouton modèle, pris sur le ocmmutateur K005 (Synchro) et coffrage pour la prise d'empreinte


Coulée du caoutchouc-silicone et insertion d'un autre bouton cassé auquel il manque une partie
De la pâte à modeler est utilisée pour faire des épargnes dans le trou central et autour de la vis
Coulée de la résine teintée noire


Démoulage après la prise de la résine. Entourée : zone qui a été réparée



nettoyage de la pâte à modeler et perçage d'un trou de 4 mm (flèche)
Voilà, il n'y a plus qu'à remonter les deux boutons :


Remontage du nouveau bouton



Remontage du petit bouton rouge


Voilà, cet oscilloscope révisé va pouvoir rejoindre les autres ...