Remise en route d'un poste PHILIPS type 2531





Schémas et plans



4. Différences entre le 2534 et le 2531

Les 2 récepteurs sont vraiment très semblables, pour preuve, voici les photos des 2 châssis, de dessus et de dessous :




On remarque sur ces photos l'apparition de nouvelles résistances au-dessus de la boite de conserves des condos. On voit aussi que le transfo BF de liaison est passé du dessus au dessous. La bobine de choc S8 a légèrement été déplacée.
Un interrupteur M/A et des contacts à couteaux sont apparus également.

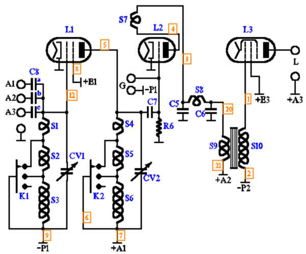
Les schémas électriques sont très proches également :




On voit que la grande différence concernent les alimentations qui ont été plus "séparées" en fonction des étages. Certainement parce que la lampe de puissance B443 a été remplacée par la C443 : l'augmentation du courant anodique a peut-être créé des instabilités.
On notera également l'apparition de l'ampoule d'éclairage du cadran (qui n'apparait pas sur les photos car elle est actuellement déposée)

On se reportera à l'article concernant le Philips 2534 pour les explications du fonctionnement de ce récepteur ...



5. Plans

Les schémas d'implantation et de câblage sont forcément très proches aussi de ceux du 2534 :


Plan du dessus du 2531



Plan du dessous du 2531

Les numéros de fils présents sur ces plans se retrouvent sur le schéma :





à suivre : vérifications