Récepteur superhétérodyne alimenté par batteries, 5 lampes



Essais - Finitions - Ebénisterie - Alimentation




19. Essais

Voilà, il est temps maintenant de procéder aux premiers essais ...

Installation des lampes, seule L5 est un ersatz (AL51), les autres sont celles d'origine



Une bonne antenne, une prise de terre ...



... et un HP haute impédance

Les alimentations sont connectées -pour l'instant- en volant, à l'aide de pinces crocos :

Il faut faire attention aux court-circuits !

Je connecte l'alim sur le secteur, je monte un peu le rhéostat de chauffage ... et le poste chante ! réglage fin des CV et du potentiomètre : le son est très bon et suffisamment puissant.
Donc tout va bien.



20. Finitions

Il reste quelques "bricoles" à faire :


Installation du câble d'alim d'origine, retenu par un cavalier



Connexion des 5 fils sur les 4 bornes du bornier prévu et sur la borne du secondaire de T3 (polarisation de L5)



Une autre vue (cliquez pour l'agrandir)

A l'autre bout du câble, j'ai fait une barrette de raccordement qui supporte 5 fiches bananes :



J'ai également coulé 2 boutons en résine polyester :

J'ai pris un bouton Philips comme modèle

et les voici installés sur le poste :



Voici quelques photos du châssis (cliquez pour les agrandir) :







21. Ebénisterie

Je me suis contenté de la nettoyer et de recoller le coin inférieur, avant gauche. Je peux donc réinstaller le châssis dedans.


J'ai donc du redémonter la barrette d'alimentation pour passer les fils par le trou de la caisse

Puis, j'ai fretté les fils sur la barrette pour les maintenir :



22. Alimentation

Tel quel, ce poste fonctionne donc sur batteries, mais le plus simple et de le doter d'une alimentation secteur. Je vais donc en réaliser une ...
Voici les étapes de cette réalisation :

Le schéma de l'alimentation projetée. Version PDF

Rien de bien spécial dans cette alim, si ce n'est peut-être les 2 transfos. En fait, j'ai utilisé 2 transfos identiques, de quelques VA qui fournissaient environ 20V à vide à leur secondaire.
J'ai rebobiné le secondaire d'un de ces transfos en 7-8V environ. Ainsi, à partir du 230V, j'obtiens une tension de quelques volts qui redressées et régulée fournira le 6V de chauffage, mais cette tension alternative alimente le second transfo sur son secondaire et on obtient alors sur son primaire une tension égale au tiers environ de 230V, soit 70-80V environ.

Pour rebobiner le transfo, j'ai du couper les cordons de soudure qui retenaient les tôles E et les tôles I ensemble. Plutôt que de les ressouder, j'ai fabriqué une bride :

Le transfo rebobiné est celui de gauche sur cette photo

L'alim est contenue dans une boite en fer blanc légèrement diminuée en longueur :



Le bornier est "fait maison" : une plaque en epoxy rivetée





Fixation des transfos à l'intérieur

Les douilles bananes de 4 sont "flottantes" :


Elles sont retenues par un écrou + contre-écrou en laissant un jeu de l'ordre du millimètre. Ainsi, on accepte des erreurs d'alignement des fiches du bornier



Raccordement des fils sur les douilles




Câblage des composants sur une plaquette isolante (cliquez pour agrandir)



Raccordement des fils (cliquez pour agrandir)

Voilà, il ne reste plus qu'à refermer le boitier et à raccorder le poste sur cette alim :




23. Conclusion

Voilà, cette restauration est terminée. J'espère que cet article vous a plu.




(cliquez pour agrandir)

J'ai réalisé un ersatz pour la pentode de sortie, à partir d'un tube subminiature russe, le 1P24b; voici son schéma :


J'ai capoté cet ersatz avec une fausse ampoule imprimée en PLA. On la voit sur ces 2 photos :


(cliquez pour agrandir)

Voici cet ersatz :


Pour finir, voici une photo des raccordements arrières :


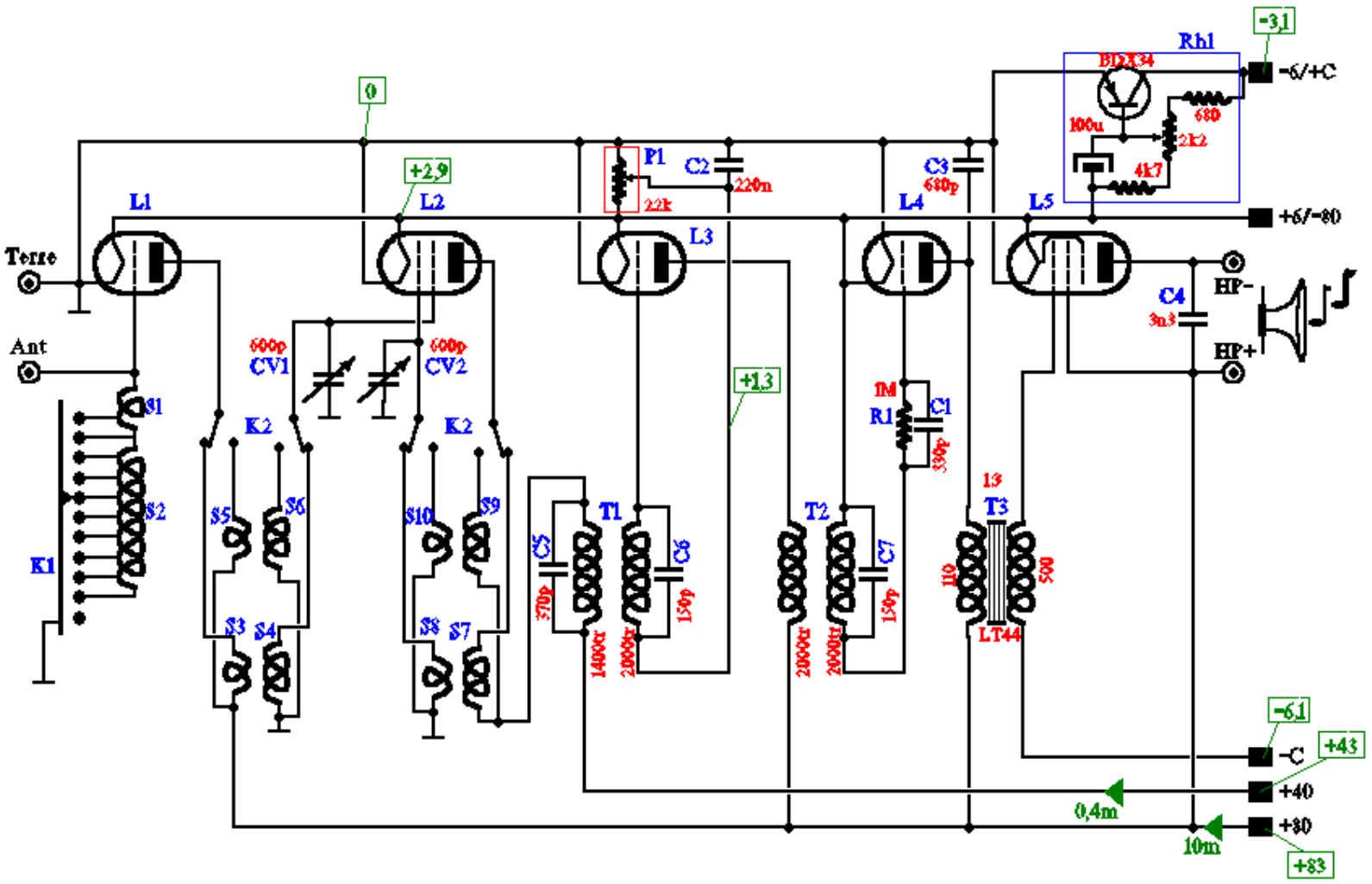
Le schéma définitif :

Version PDF

et les réglages correspondants aux stations reçues en GO :