Reconstruction complète d'un oscilloscope Tektronix type 502A : base de temps





Etage trigger : câblage
Etage trigger : test
Commutateurs "TIME/CM" et "HORIZ DISPLAY"
Etage générateur : câblage et test
Etage amplificateur horizontal : câblage
Réglages - Etalonnage
Interventions diverses


9. Etat des lieux

De la base de temps, il ne reste que les commandes en face avant, donc les commutateurs et potentiomètres, mais la plupart ont leurs câbles sectionnés. Tout autour des lampes a disparu, il faut donc tout recâbler.
Heureusement, j'ai le schéma (du 502 et du 502A qui ne diffèrent que par certaines lampes) et surtout une belle photo du câblage, avec une très bonne définition, ce qui est primordial, vue la longueur du châssis.


Châssis base de temps à recâbler
Comme on peut le voir, il y a du travail ... Cependant, cette base de temps est relativement simple, elle comporte principalement 3 étages :
- un trigger
- un générateur de dent de scie
- un amplificateur

La logique veut que je recâble en suivant cet ordre, qui est l'ordre fonctionnel. Ainsi, ce n'est qu'une fois un étage câblé et testé que je passerai à l'étage suivant.



10. Etage trigger

Voici son schéma :


L'étage trigger comporte 2 lampes
La première (V24) est un ampli différentiel à couplage cathodique dont les entrées sont le signal de synchro pour l'une, et une tension continue fixe, tenant lieu de seuil, pour l'autre.
La seconde lampe (V45) est montée en trigger de Schmitt et reçoit le signal différence, amplifié, en entrée. La sortie est donc logique : soit V45A est saturée, soit bloquée, selon le niveau sur l'entrée de synchro. Autrement dit, lorsque celui-ci est période, la sortie du trigger sera un signal rectangulaire si le signal de synchro passe de part et d'autre du seuil, ou une tension continue dans le cas contraire.
A noter qu'en "AUTO", le trigger déclenche forcément car le signal sur son entrée est alternative grâce à la présence du condo en entrée.

Que reste-t-il de cet étage ? Les commandes en face avant (source trigger et niveau, ainsi que le mode, couplé au niveau et polarité) sont présentes et câblées entre elles. Seules les connexions vers les lampes ont été coupées :


Ce qui reste de l'étage


Avant de recâbler cet étage, j'ai quelques "bricoles" à faire :


J'ai changé une barrette-relais (et remis les straps en comparant avec la barrette cassée d'origine)



Puis j'ai rallongé les 3 fils qui viennent des commandes
- marron : entrée 6,3V (LINE)
- gris et bleu : entrées grilles de la ECC88 (sorties de l'inverseur de polarité)

Et je dois faire tout le circuit de chauffage des 10 lampes :


Circuit de chauffage.
J'avais déjà fait le circuit d'éclairage du graticule en le connectant sur une des lampes de l'alim du tube cathodique; je le laisse tel quel, donc je ne déplace pas les fils pour "coller" à ce schéma, peu importe. Les résistances de 100 ohm doivent être câblées pour que le signal de synchro ait une référence de potentiel.


Circuit de chauffage câblé
Un petit essai :


OK, les lampes s'allument

Je peux maintenant câbler le trigger. Je vais suivre le schéma et la photo du câblage, comme j'ai procédé pour l'alim générale :


Câblage d'origine de l'étage trigger

Vu que cet étage est à l'extrémité du châssis opposée à celle où arrivent les alims HT, je relierai celles-ci en volant pour l'instant et je les recâblerai correctement au fur et à mesure que j'avancerai dans le câblage et me rapprocherai des arrivées.

Pas de difficultés particulières concernant le câblage; voici ce que ça donne :


Etage trigger câblé. Les alims HT (en haut) sont en volant, provisoirement. Entourés : composants ne faisant pas partie de cet étage, mais ayant survécu au démontage. Les 100 ohms sont câblées au niveau de V161 (comme sur le schéma)


Test de l'étage

J'ai relevé quelques oscillogrammes, entrée synchro sur "LINE" :


Points de relevés d'oscillogrammes

Les relevés ont donc été faits avec le 6,3V de chauffage comme signal de synchro (comme indiqué sur le schéma Tektro d'ailleurs)


Mode AUTO, SLOPE+, sortie ampli différentiel
l'ampli différentiel procure un gain très voisin de 10 ...



Mode AUTO, SLOPE+, première triode du trigger



Mode AUTO, SLOPE+, sortie trigger
On a bien un signal rectangulaire, amplitude 25V environ. La sortie semble en opposition avec le signal de synchro.



Mode NORMAL, SEUIL proche de 0, SLOPE+
Aucun décllenchement du trigger, le seuil est trop bas.



Mode NORMAL, SEUIL au 1/4 de la course, SLOPE+
le trigger commence à déclencher, seule la pointe de l'alternance négative du signal de synchro passe sous le seuil



Mode NORMAL, SEUIL à la moitié de la course, SLOPE+
Le seuil est proche de 0V, donc on a un déclenchement lors du passage par 0V du signal, le rapport cyclique est donc de 1/2, et on a le même résultat qu'en "AUTO".



Mode NORMAL, SEUIL aux 3/4 de la course, SLOPE+
On a le résultat complémentaire du résultat lorsque le seuil est au 1/4 de la course



Mode NORMAL, SEUIL aux 3/4 de la course, SLOPE-
En changeant la polarité on obtient exactement le même résultat que lorsque le seuil est au 1/4 de la course



Mode RECURRENT (seuil à fond), SLOPE+
Le seuil est alors toujours supérieur au signal, le trigger ne déclenche plus

Bien, étage trigger fonctionnel !



11. Commutateurs "TIME/CM" et "HORIZ DISPLAY"

Avant de câbler les étages suivants (générateur de dent de scie et amplificateur), je dois remettre en état les 2 commutateurs qui en font partie : celui qui commande la vitesse de balayage (donc la fréquence de la dent de scie), et celui commande le gain de l'amplificateur.
Il s'agit des commutateurs "TIME/CM" et "HORIZONTAL DISPLAY". Ces commutateurs ont de multiples circuits (donc de galettes), mais encore une fois, la donc Tektro est très claire. Voyons sur les schémas ce qu'il reste de ces commutateurs :


Etage générateur. Entouré en jaune, une galette du commutateur "HORIZ DISP", en rouge une galette du commutateur "HORIZ DEF PLATE"
Cet autre commutateur permet de choisir ce qu'on relie aux plaques de déviation horizontale : l'ampli Y upper ou l'ampli X de la base de temps.


Etage amplificateur. Entourés en vert, les commutateurs et résistances existantes



Détail du commutateur "TIME/CM". Entourés : composants présents
En fait, ce qui est très important c'est que mécaniquement, les commutateurs sont intacts car c'est simple alors de constater les "manques", là où il y avait des composants : il reste en général un bout de leurs connexions.
Voyons maintenant plus en détail ces commutateurs :



Le commutateur du haut, "TIME/CM" tient par 4 boulons, celui du bas, "HORIZ DISPLAY" tient par un écrou axial
Cela fait pas mal de fois que je dépose celui du haut ... pour retirer celui du bas, il faut dévisser le coupleur (entouré en jaune) et dessouder le coaxial d'entrée X (en rouge)



Détail du coaxial à dessouder (flèche)



Les 2 commutateurs sont encore reliés par un fil








Vues rapprochées des commutateurs
On voit bien qu'il ne manque aucun composants sur le commutateur "HORIZ DISPLAY", seul le câblage est à refaire.
En revanche, il manque presque tous les composants sur le commutateur "TIME/CM"; coup de chance, le potard + inter est présent.

Je me suis donc contenté de ressouder des fils suffisamment longs sur le commutateur "HORIZ DISP" et en faire un toron fretté :



Commutateur "HORIZ DISPLAY" recâblé

J'ai, bien entendu, repéré les fils :
- 2 fils, violet et vert, seront reliés à l'autre commutateur (le vert est le -150V)
- bleu : néon "Uncalibrated" (TIME/CM)
- marron : néon "ON" (HORIZ MAG)
- vert : cathode V324
- orange : curseur cadrage branche V364A
- jaune : cathode V354
- rouge : curseur cadrage branche V364B
- blanc : galette commutateur "HORIZONTAL DEF PLATE"
- noir : cathode V183B (sortie préampl dent de scie)
- coaxial : grille V324 (entrée ampli X)

Je peux maintenant remettre en place ce commutateur :


Commutateur remis en position. En haut, les fils en attente


En jaune : le passe-fil où est inséré le toron. En rouge, les 2 fils en attente vers le second commutateur
J'ai déjà raccordé 3 fils :



Le fil blanc, sur la galette du commutateur "HORIZONTAL DISPLAY" (flèche)



et les bleu et marron, reliés aux néons (flèches)

Passons maintenant au recâblage de l'autre commutateur. Je n'ai pas de composants précis à 1%, mais j'ai mesuré ceux que j'ai remis et ils sont "dans les clous" :



les condos de 100nF et 10nF du générateur de dent de scie



tous les condos du hold-off, et à gauche, le petit condo bleu de 1nF



les résistances du générateur (à gauche) et la 470k du hold-off (à droite)

Il n'y a plus qu'à réinstaller ce commutateur à sa place et à raccorder les 2 fils violet et vert en attente :


Le commutateur "TIME/CM" remis à sa place
Par comparaison, voici une photo d'un câblage d'origine :



Il restera à câbler les 3 fils restants, mais comme ils sont accessibles, je le ferai lorsque je câblerai le générateur; je les ai donc bien repérés :


Fils restant à câbler

J'ai vérifié l'allumage des néons :


OK, les néons fonctionnent !
Celui du bas s'allume lorsqu'on tourne le bouton (rouge) "VARIABLE" de la base de temps.
Celui du haut s'allume lorsque la bouton "HORIZONTAL DISPLAY" est sur les positions x2 x5 x10 ou x20 (autrement dit lorsqu'on utilise la loupe horizontale)

Bien, ces commutateurs étant refaits, je peux attaquer la suite du recâblage de la base de temps ....



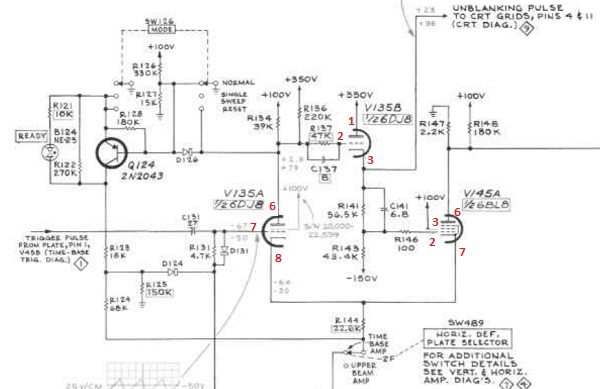
12. Etage générateur

Voici une partie de son schéma, le verrou de balayage suivi du multivibrateur :



Je commence par les parties entourées :


étage verrou
Le commutateur "NORMAL/SINGLE/RESET" est présent, pas mal de composants aussi, mais les fils ont été coupés. Le travail consiste donc à les remettre ... J'ai repéré la couleur des fils à réinstaller.


Recâblage du commutateur (et du néon "READY")
Au-dessus, les fils venant du commutateur et du néon sont connectés au petit circuit autour du transistor :


Câblage autour du transistor (rectangle jaune). Il y a aussi 2 résistances à la masse (ellipse bleue)
Mais aussi au reste de la base de temps, même si pour l'instant, ils n'aboutissent à rien :


Fils orange, bleu, blanc connectés sur les barrettes (entourés)
Le fil blanc est aussi connecté à la galette du commutateur "HORIZ DEF PLATE". Ce fil blanc véhicule le -150V lorsque ce commutateur est sur la position "TIME BASE" (autrement dit lorsqu'on utilise l'oscillo en mode normal, pas XY)

Après une petite interruption pour vérifier, avec succès, que le tube cathodique est OK, je peux continuer le câblage du générateur.
J'ai modifié les repères des broches des lampes sur le schéma du 502A, vu qu'il n'est pas très net et que les lampes utilisées ne sont pas les mêmes que celles du 502 (j'avais déjà eu le souci pour l'alim générale et le calibrateur) :


Suite du câblage. Repères des broches des lampes 6DJ8 et 6BL8



Photo du câblage de cette partie sur un appareil existant


Quelques heures plus tard :


Multivibrateur câblé
Inutile de vérifier cet étage, le mieux est de tout câbler avant de faire un test, vu que tout l'étage est bouclé sur lui-même.

Je continue par l'intégrateur de Miller :


J'ai appliqué la modification préconsiée sur la doc Tektro (entourée)
Encore quelques heures plus tard .... Le câblage n'est pas si simple, la photo que j'ai de cet étage ne révèle pas tous les composants cachés par d'autres. Cependant, avec le schéma, avec les straps qui restent sur les barrettes-relais ainsi que les bouts de pattes de composants, on y arrive; mais il faut bien réfléchir. Bref, voici l'étage générateur câblé :


Etat de la base de temps. Entouré : le générateur
J'ai raccordé le commutateur "TIME/CM" :


Je n'ai pas toronné les fils (risque de couplage), conformément aux photos d'appareils existants
Voici deux autres vues du câblage :




Vous remarquerez des associations de résistances : j'en ai fait dans deux cas de figure : soit je n'ai pas la valeur précise, soit je n'ai pas la résistance de puissance suffisante.

Passons au test ... pour l'instant, l'ampli X n'est pas câblé, donc je ne m'attends pas à "voir" le balayage sur l'écran. Non, mais je peux visualiser sur un autre oscillo la dent de scie et les signaux en différents points.
Comme indiqué sur le schéma Tektro, pour faire le test il suffit de se mettre en "Normal" et "Recurrent". Commuter le trigger sur "EXT" (donc pas de synchro). De cette manière, normalement, le générateur part en "libre" .... voyons cela :


Et bien ça marche ! En haut, le signal d'allumage de l'écran (qui va au circuit des grilles des canons). En bas, la dent de scie
J'ai réglé arbitrairement la longueur de la dent de scie à 150Vpp, mais je réglerai de nouveau lorsque l'ampli sera câblé et donc qu'il y aura balayage.
On voit que le signal "UNBLANKING" a une amplitude suffisante pour bien bloquer ou allumer les spots (à peine +10V pour l'extinction et +150Vpp pour l'allumage des spots). Remarquez également qu'on a bien 150V pendant la dent de scie et au contraire 10V pendant le retour des spots.


Essai de synchro. En haut le signal "calibrator" appliqué sur l'entrée de l'ampli upper, en bas la dent de scie synchronisée
Pour synchroniser le générateur, il a fallu commuter l'entrée trigger sur "Upper DC", régler le potard "Stability" pour que le réglage de seuil fonctionne. Dès lors, on peut synchroniser la dent de scie avec le signal d'entrée. Donc, ça marche.


En haut, la tension sur les anodes des diodes d'isolement de l'intégrateur. A l'état haut, les diodes sont conductrices, l'intégrateur est mis à zéro (condo déchargé)



En haut, le signal de commande du multivribrateur, issu de la dent de scie.
Lorsque cette tension atteint -24V, V135A devient conductrice, le multivibrateur bascule, faisant conduire les diodes, donc provoquant le reset de l'intégrateur. La dent de scie revient à 0 rapidement, mais grâce à la constante de temps du hold-off, la tension de commande diminue moins vite, donc ne débloquant pas le multivibrateur : ainsi, une synchro arrivant pendant le retour ne provoquera pas le déclenchement de la dent de scie.

Bien, base de temps opérationnelle ! Il n'y a plus que l'ampli X à câbler ....



13. Amplificateur horizontal

Voici une photo du câblage de l'ampli sur un appareil existant :



Le schéma correspondant :


Etage amplificateur.

En fait, le schéma parait touffu, mais une fois les commutateurs retirés, il ne reste que peu de composants ....

Voici un état intermédiaire de câblage :


Etage préampli et drivers câblés. Entouré : je n'ai pas encore soudé le condo ajustable en parallèle avec la résistance de 975k

Il ne restait qu'une seule commande en face avant qui avait été "cisaillée" : le cadrage horizontal. Je l'ai donc recâblé :


Potards de cadrage recâblés (entouré en jaune), toron fretté (flèche) qui traverse le passe-fil (en bleu)

Je peux avancer dans le frettage des deux torons de part et d'autre des barrettes-relais :


La base de temps avec ses torons frettés

Il ne me reste que l'étage de sortie à câbler :


Entouré : étage de sortie (V364).
J'ai continué de fretter les torons et commencé de raccorder le support de la lampe aux barrettes-relais
J'ai eu quelques difficultés pour les résistances de 30k et de 82k:


Etage de sortie câblé.
J'ai remplacé les 30k par des 27k, et pour faire les 82k, j'ai utilisé 6 résistances de 18k : 4 en série, ce qui fait 72k, en série avec 2 autres en parallèle (9k donc), total : 72k+9k = 81k
Les 300k ont été faites avec 2 résistances de 147k. Bref, on dirait bien que l'ampli horizontal est fini de câbler (à part l'ajustable). il reste juste la connexion unblanking, mais je l'installerai après le test de l'ampli.

J'ai trouvé un ajustable :


Condo ajustable soudé
Allez, mise sous tension. Entrée A Upper = calibrator :


Premier balayage : pas mal.
Bon, il y a tout de même un défaut, la trace semble apparaitre une multitude de fois, pourtant la synchro est OK ...
Si j'augmente la vitesse de balayage, aux environs de 10-20 µs : on voit mieux le problème :


C'est marrant : on a l'impression d'afficher un ressort.
Vu qu'au lieu d'un trait horizontal, on obtient des boucles, cela veut dire que les 2 balayages sont affectés d'une ondulation, la même d'ailleurs, les boucles étant formées par le déphasage forcément non nul entre l'ampli Upper et l'ampli X. Le perturbateur a une fréquence proche de .... 50kHz. Tiens, tiens .... D'ailleurs quand j'approche ma main de l'alim du tube, du côté du transfo :


La perturbation est plus forte !
Conclusion : sans les couvercles, l'alim du tube rayonne. Un peu normal .... Le remède est simple : remettre des couvercles, ce n'est pas pour rien que Tektro en a mis !

On voit encore mieux le phénomène lorsque l'entrée verticale est en l'air et "chope" le secteur :



Bon, à part cela, je peux maintenant souder la connexion "unblanking" et fretter les torons du côté de l'alim du tube :


Entouré : le point de raccordement du signal unblanking sur le point froid de l'alim des grilles du CRT
Vu que les essais précédents se faisaient avec ce point froid relié au +100 et que le signal unblanking a un état haut de +150, on "gagne" 50V sur la tension des grilles; j'ai donc du baisser la luminosité pour revenir à un éclairage normal. Du coup, j'ai de la réserve de lumière.

Voilà qui termine les essais. L'oscillo est fonctionnel, il ne me reste que des "détails".

Voir en dernière page la réalisation des blindages qui remédie au problème précédent.






à suivre : Réglages et étalonnage