Remise en route du récepteur Trav-Ler





Démontage - Schéma - Etat des lieux



3. Démontage

Pour sortir le châssis, il faut dévisser les 2 écrous arrière et le glisser vers l'avant. Pas simple car les replis intérieurs du revêtement sont décollés et empêche le glissement ... Voici le châssis :


C'est un 5 lampes. Il n'y a qu' un seul CV ...bizarre...

La résistance et le condo de détection :


un transfo ?


le CV :


un transfo BF :


à gauche la prise d'alimentation, et à droite un des supports de lampes :


le dessous du châssis; propre !


un condo :




4. Schéma

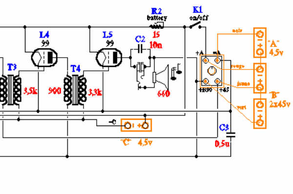
Voici le schéma que j'ai relevé :



Seul le cadre est accordé. Il y a 2 étages HF mais les liaisons se font par transfos HF non accordés. Etonnant ...
Le reste est classique : détection puis 2 étages BF.
A noter toutefois que le cadre comporte un second enroulement et deux bornes à visser, constituant alors un transfo d'antenne !
Il fallait 3 batteries pour l'alimentation (4,5V de chauffagen et deux de 45V de HT) mais aussi une pile de polarisation de 4,5V qui s'installait sur le châssis.



5. Etat des lieux

L'essai du châssis seul a montré que tous les composants critiques étaient ok (transfos) sauf une lampe HS. Cependant, de nombreux mauvais contacts dans les supports vont m'obliger à les nettoyer.
Le plus gros morceau de cette restauration sera la réfection du revêtement de la caisse, à n'en pas douter ! Le reste sera simple ...
Voici d'ailleurs quelques photos de l'état de ce revêtement; dessus, emplacement de la poignée :



Côté droit :


côté gauche, en bas :


dessous :


charnières recouvertes :


verrous :


replis intérieurs décollés :




devant :




grille intérieure du HP:




à suivre ....