Remise en route du Jarson 6 lampes





Etat des lieux - schéma



1. Présentation du récepteur

Ce récepteur est (encore) une mallette de voyage, alimentée sur batteries. Voici la face avant :


La décoration est très étudiée, en particulier la découpe du baffle :


en bas à droite, un écusson indique la marque de ce récepteur :


The Jar's Son : le fils de la potiche ! à moins que mon anglais soit approximatif ....
la partie haute contient le châssis, de façon très classique :


les CV sont à démultiplication, une fenêtre s'ouvre sur un cadran :


sur le dessus, la poignée de transport est cassée :


L'arrière est tout aussi joli que l'avant sur ce poste :


le trou en haut permet de tirer la porte :


et de découvrir l'intérieur :


le châssis a une drôle d'allure .... à gauche, il reste 3 lampes :


enfin, si on peut dire, car celle de droite est à l'air libre; la partie droite du châssis révèle un support de bigrille :


Dessous, on voit les transfos (BF et FI). Le compartiment du bas sert de baffle mais aussi de support pour les batteries et piles. Remarquez la sangle de maintien :




2. Etat, opérations envisagées

Dès maintenant, on peut lister ce qui va et ce qui ne va pas, ainsi que ce qu'il y a à faire :
- la caisse est en assez bon état, à part quelques lattes de bois décollées...
- poignée : à réparer
- châssis : la plaque d'ébonite est cassée et tordue.
- châssis : les composants sont à réviser (transfos BF, transfos FI, transfo OSC)
- composants face avant : CV et rhéostats à réviser
- le HP à vérifier. Son cône est en bon état
- 2 lampes à tester, 4 à trouver ou à fabriquer (ersatz)

Voilà, rien de bien terrible donc ...



3. Suite du démontage pour relever le schéma

Vu l'état de la plaque d'ébonite, j'envisage de la changer; comme il faut aussi relever le schéma, autant tout démonter. Il y a une surprise, à l'intérieur de la caisse, tout en haut, il y a un écrou papillon :


une fois dévissé, on peut retirer la vis par le dessus, sous la poignée :


et que se passe-t-il ? il y a une caisse dans la caisse ! elle peut se glisser par l'arrière :


la voici, débarassée de l'habillage :


et tout autour, il y a le cadre antenne bobiné en 3 sections :


on découvre aussi le cône du HP, en bon état, ma foi :


Pour déposer le châssis, il faut débrancher les 6 fils du bornier du cadre (en les repérant !):


Une fois les 2 fils du HP débranchés des 2 bornes, le châssis avec la face avant sort par l'avant de la caisse :



voici quelques photos de ce châssis :




Les composants ont l'air de qualité; les transfos FI sont enbrochés dans des supports ressemblant à ceux des lampes; un condo est monté dessus :


Pour désaccoupler face avant et plaque à lampes, il faut dévisser quelques fils tout en repérant. Voici les deux morceaux séparés :


La face avant comporte 2 commandes de CV avec démultiplication:


deux commutateurs de gamme :


un potentiomètre et un rhéostat :


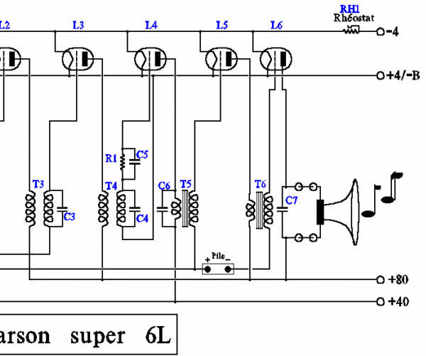
J'ai relevé le schéma, le voici :



télécharger le schéma en PDF.



à suivre ....