PHILIPS type 898A



Présentation, schéma, opérations envisagées




1. Présentation

Voici le Philips 898A :

vue de l'avant (cliquez pour agrandir)



Le cadran (cliquez pour agrandir)

J'ai deux postes à réparer : l'un pour Jean-Louis qui m'a donné le second.
Les photos suivantes concernent celui de Jean-Louis, que j'appèlerai le N°2, car je commencerai la remise en route de l'autre, le N°1.
Ainsi, une fois que j'aurai fait "mes armes" sur le 1, je pourrai m'occuper du 2 ...


Récepteur 2 :

Sur ce récepteur, les commandes principales sont toutes ramenées en façade, à un seul endroit, le fameux "monobouton" :


Un bouton central, une sorte de joystick avant l'heure, peut se déplacer dans 2 dimensions. Une couronne extérieure commande la mise en service de l'appareil et la gamme d'ondes. Enfin, une petite manette tout en bas permet de commander la syntonisation automatique.
A l'arrière, on a quelques prises et interrupteurs, dont une prise, en haut, qui n'est pas d'origine :

Vue arrière (cliquez pour agrandir)

Visitons un peu l'intérieur de l'ébénisterie du premier récepteur :

La caisse est nettement plus grande que le châssis (cliquez pour agrandir)



A droite, un certain nombre de composants, tout cela fait un peu fouillis ...

Il y a d'ailleurs un toron de fils qui n'est pas d'origine et qui part vers la prise déjà mentionnée :


Et sur ce récepteur, il y a un transfo en trop :


très certainement câblé sur le circuit de chauffage pour créer une tension de 6,3V car la AL5 a été remplacée par une lampe octale :


(J'ai fait ces photos de présentation sur le récepteur 2 dont l'ébénisterie est en meilleur état )


Récepteur 1 :

Celui-là a déjà été démonté pour réparations précédentes, et le châssis est donc déposé de l'ébénisterie :

Une planche est nécessaire pour supporter le châssis et le "fouillis" entouré (cliquez pour agrandir)

Les lampes sont des transco de la série jaune (4V de chauffage), ce qui date le poste : 1935 (la série rouge 6,3V est apparue en 1936)

Le support libre indique que la AL5 est absente (cliquez pour agrandir)



Vue de l'avant avant le monobouton (cliquez pour agrandir)



L'indicateur cathodique (AM1)



Vue du côté du "fouillis" qui montre l'état de l'isolant de certains fils (cliquez pour agrandir)



Détail du monobouton et de la câblerie (cliquez pour agrandir)




L'étage HF : une lampe a son téton cassé (cliquez pour agrandir)



La manette inférieure, sous le monobouton, est tordue



La commande des CV

En regardant sous le châssis, on s'aperçoit tout de suite que le câblage n'a rien à voir avec un 3 lampes batteries :

Câblage du dessous (cliquez pour agrandir)

Et on retrouve les bêtes noires de la radio, les condos papier enrobés de goudron :


(cliquez pour agrandir les photos)



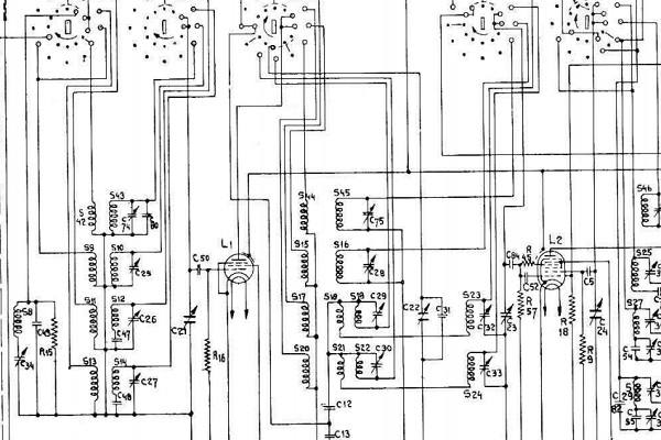
2. Schéma

Jean-Louis m'a fourni le schéma d'origine. Comme à l'habitude, ce n'est pas un schéma franchement clair, mais il a le mérite d'exister. Je le referai plus tard.
Le voici ICI

Et quelques détails intéressants :

le circuit de syntonisation automatique



l'ampli BF est contre-réactionné (R32-R19-S48)



l'étage préampli HF et le changement de fréquence



L'ampli FI, la détection, la CAG et l'indicateur cathodique



L'alimentation générale



3. Opérations envisagées

Dans ce genre de récepteur, on trouve principalement deux sources -systématiques- d'ennuis :
- les condos goudron (en fait le diélectrique est du papier et le goudron devait rendre étanche le condo à l'humidité)
- l'isolant jaune des conducteurs qui part en poussière avec le temps.

Mais on peut ajouter d'autres sources éventuelles d'embêtements :
- les lampes transco dont l'ampoule se décolle de l'embase, et dont le téton de grille se décolle du verre, le fil se cassant facilement.
- les résistances rouges dont les sertissages vieillissent très mal
- les condos ajustables qui sont bloqués d'origine à la paraffine et qu'il est difficile de réajuster
- les nombreux contacts de galettes des commutateurs divers.

Voici donc ce que j'envisage de faire, avant de mettre sous tension :

- changer les fils qui manifestement ont leur isolant abimé
- mesurer l'isolement des condos goudron et les changer si besoin
- réparer ce que je découvrirai pendant cette première phase de réparation





A suivre : réparations préliminaires